Açık kaynak, ücretsiz elektrik proje çizim programı

taydin

Timur Aydın
Staff member
Katılım
24 Şubat 2018
Mesajlar
27,135
Oldukça kapsamlı bir elektrik proje çizim programı. Ama son sürüm 2023'te yayınlanmış.


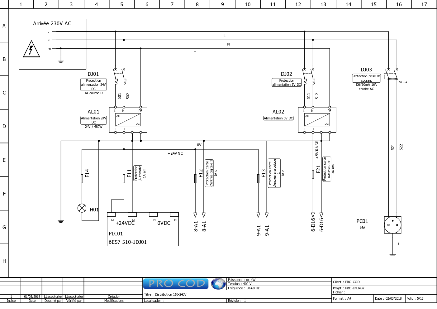
Örnek proje:

1762364993839.png
 
Ücretsiz 2D dwg çizim programı aramaktan hal oldum. Artık herkes süreli lisans çakmanın derdine düşmüş. Eskiden draft sight vardı. Çok kullandık , çok da işimizi gördü. Oda modaya uyup ücretli oldu. Deneme sürümleri bile ya zaman ayarlı ya bir şekilde kısıtlamalı.
 
@Under Ground
Download yapayım programı dedim . Üye olmak şartı varmış . Üye olayım dedim . Zaten üyeymişim :) Demek ki zamanında kullanıp beğenmedim :)
 
NanoCAD5 indirip kurdum . Eskiden konvansiyonel dwg çizim programlarımdan baya uzak bir kullanım arayüzü vardı . Şimdi resmen autocad replikası gibi olmuş . Komutlar falan arayüz neredeyse tamamen benzer . Çok da özelmişim çizim yapmayı . Kısıtlama da yok . Tavsiye ederim bende herkese .
 
Her zaman aynıydı, galiba siz bunu başka bir programla karıştırdınız. Zaten hiç güncellemiyorlar (gerek de yok :)) bunu.

Pro sürümünde maalesef ödeme sistemi de Autocad gibi; programı satın almak yerine yıllık kiralıyorsunuz.

ncad.pgp "C:\Program Files (x86)\Nanosoft AS\nanoCAD en 5.0" altında.
Font dosyaları "C:\ProgramData\Nanosoft AS\nanoCAD Int 5.0\SHX" altında.
 
Her zaman aynıydı, galiba siz bunu başka bir programla karıştırdınız. Zaten hiç güncellemiyorlar (gerek de yok :)) bunu.

Pro sürümünde maalesef ödeme sistemi de Autocad gibi; programı satın almak yerine yıllık kiralıyorsunuz.

ncad.pgp "C:\Program Files (x86)\Nanosoft AS\nanoCAD en 5.0" altında.
Font dosyaları "C:\ProgramData\Nanosoft AS\nanoCAD Int 5.0\SHX" altında.
Draftsight gibi sonradan gözlerini para hırsı büyümezse şimdilik 2D ücretsiz gözüküyor bakalım bir sene boyunca ,
 

Çevrimiçi personel

Forum istatistikleri

Konular
9,162
Mesajlar
147,526
Üyeler
3,725
Son üye
Acquila

Son kaynaklar

Back
Top