Güneş panellerinde güncel teknoloji durumu

Birleştirici devre ile ilgili net birşey yok kafamda. Solar inverter, kendi çıkışındaki akımı sürekli monitör etmesi lazım. Bu akım sınıra gelince, o sınırı geçmemesini temin etmesi lazım.

Yani bir bakıma solar inverter, bir akım kaynağı gibi davranacak. Ama akım kaynakları, ayarlanın akımın geçişini temin etmek için voltajı değiştirirler. Bu nasıl olacak? Solar inverter ile şebekenin bu noktada dövüşmesi lazım. Ve neticede şebekenin dediği olur.
 
Birleştirici devre ile ilgili net birşey yok kafamda. Solar inverter, kendi çıkışındaki akımı sürekli monitör etmesi lazım. Bu akım sınıra gelince, o sınırı geçmemesini temin etmesi lazım.

Yani bir bakıma solar inverter, bir akım kaynağı gibi davranacak. Ama akım kaynakları, ayarlanın akımın geçişini temin etmek için voltajı değiştirirler. Bu nasıl olacak? Solar inverter ile şebekenin bu noktada dövüşmesi lazım. Ve neticede şebekenin dediği olur.
bizde generic çin markası bir 1.5kw inverter var, türkiyede genelde millet kendi markasını üzerine bastırıp satıyor, lexrondu bizimkinin markası (oem aslında) inverter overload olunca geri kalan kısmını şebekeden çekiyor, veya ayarı var tamamen bypass edip şebekeden çek diye vb, mesela şebeke bağlandığı zaman invertere aküleri oradan şarj ediyor, bir sürü ayarı var
 
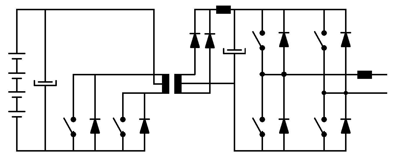
Müsait olunca içini açıp bir bak istersen. İki devrenin birleştiyi yer ile ilgili neler söyleyebileceksin?
 
Inverter sebekeye senkron olunca cok fazla sorun kalmiyor. Akimin bizden evin ic sebekesine gidebilmesi icin hep voltaji yuksek tutacagiz.

Fakat MCU yazilimi cok da basit bir sey olmayacak tabiki.

literaturu taramak lazim ne tip cozumler uretilmis.

Once panelden gelen voltaji yukseltip 350V civari DC voltaj elde edip ardindan bu gerilimi sinuse cevirip sebekeye basmak gerekebilir.
 
1768048443140.png

Panelden gelen voltaj once 350..400V seviyesine cikartilir. Bu asamada max verim elde edilecek teknikler uygulanir.
Daha sonra da 350V DC gerilimden sinusel voltaj elde edilir.

Bir sonraki asamada uretilen sinusel gerilimin sebekeye gerek frekans, gerek voltaj gerek faz acisindan senkronizasyonu yapilir.
 
İnverteri ongrid olarak araştırın. Şirketin çatısına kurmak için 12kw lık panel ve 15kw lık huawei marka inverter aldık. Garanti dışı kalmaması için içini açamam.
Smart meter diye ekstra bir ekipman var. Şebeke ana giriş hattı üzerine takılan akım trafolarını kullanarak ölçüm yapıyor. Bir wifi dongle maharetiyle invertere gerekli verileri iletiyor. Vakitsizlikten henüz kurulumu tamamlayamadık. Eğer şebeke elektriğiniz mevcutsa akü grubu kullanmak ve şebekeye enerji satmak güncel mevzuatdan dolayı mantıklı değil.
Kurulum tamamlanınca resim ve detay paylaşırım.
 

Forum istatistikleri

Konular
8,779
Mesajlar
143,056
Üyeler
3,519
Son üye
Nurettin Baysal

Son kaynaklar

Son profil mesajları

Abdullah karaoglan falcon_browning Abdullah karaoglan wrote on falcon_browning's profile.
selamın aleyküm ses sistemindeki cızırtıyı hallettınızmi
"Araştırma, ne yaptığını bilmediğinde yaptığın şeydir." - Wernher von Braun
“Kendi yolunu çizen kişi, kimsenin izinden gitmez.” – Nietzsche
Kim İslâm’da güzel bir çığır açarsa (güzel bir alışkanlık başlatırsa), onun sevabı ve kendisinden sonra ona uyanların sevapları, onların sevaplarından hiçbir şey eksilmeksizin ona da yazılır.
erdemtr55 taydin erdemtr55 wrote on taydin's profile.
Merhaba Taydin bey,
Gruba spms serisi yapıcak mısınız?
ben 3 sargılı toroid ile 2 adet flyback sürücek bir devre yapmayı düşünüyorum.size soracak sorularım vardı?
Back
Top