- Katılım
- 27 Şubat 2019
- Mesajlar
- 12,899
Hayatının hatasını yaptın abi. Şimdi özelden yığınla damlayacaklar bende var, satayım sana diyeFace'de sordum bakalım iyi bir manyetik önerisi. Dandik birşey alıp sonra saç baş yolmayalım![]()

Hayatının hatasını yaptın abi. Şimdi özelden yığınla damlayacaklar bende var, satayım sana diyeFace'de sordum bakalım iyi bir manyetik önerisi. Dandik birşey alıp sonra saç baş yolmayalım![]()


Abi neşet babanın bağlamasında senin manyetiklerden var. Heralde iyisi onlar.Peki eşik altı manyetik var:
2810 eklentisine bak
Bir de benim ortaokulda bağlama çalarken taktırdığım şöyle olanları var:
2811 eklentisine bak
Bunların artısı eksisi nedir? Hangisi daha yaygın?
O bide kapalı plastik içinde vantuz ile yapışıyor. Benim gibi direk piezoyu içten kapağa para yapıştırır gibi yapıştırırsan dahada fazla olacaktır kazancı abi.Yani bu mikrofon ses için uygun değilAma bu mikrofonu bağlamanın gövdesine tutturup tellerden birisini dımbırdattığım zaman 50 mVrms seviyelerine çıkan sinyal alıyorum. Buradan da şu sonucu çıkarabiliriz: Bu öpücük için preamp tasarlarken çok daha düşük kazanç hedefi ile tasarım yapmak yeterli. Ses için gereken 60 - 70 dB kazançlara gerek yok. 20 - 30 dB bile yeterli olabilir.
O bide kapalı plastik içinde vantuz ile yapışıyor. Benim gibi direk piezoyu içten kapağa para yapıştırır gibi yapıştırırsan dahada fazla olacaktır kazancı abi.
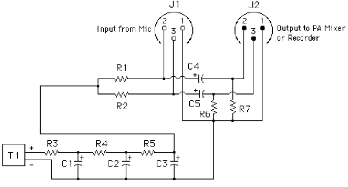
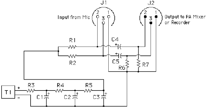
Maaşallah sende de yok yok abi. birtane e-ticaret sitesi kursan hiç malzeme almadan doldurursun. Distiribütör gibisin maaşallahŞimdi bu aşamadan sonra test edeceğimiz mikrofonların tümü, 48V phantom voltaj ihtiyacı olan mikrofonlar. Bu tip mikrofonlara bu voltajı vermenin birkaç değişik alternatifi olabilir:
1) 48V luk iyi filtrelenmiş bir güç kaynağı direkt olarak mikrofona bağlanıp, mikrofondan sinyal AC kuplaj kondansatörleri üzerinden alınabilir. Shure marka mikrofon üreticisinin sitesinde örnek bir devre var:
2828 eklentisine bak![]()
How do I build a phantom power supply?
The circuit below is a basic 12 volt phantom power supply that can be constructed in several hours by an electronics hobbyist. It consists of parts co ...www.shure.com
2) Hazır phantom power veren bir devre kullanılabilir. Örneğin benim elimde bulunan Behringer'in PS400'ü gibi
2834 eklentisine bak
2833 eklentisine bak
3) Aktif DI Boxlar da mikrofonlara phantom güç verebilme özelliğine sahip. Örneğin benim elimde bulunan Klark Teknik DI 10A gibi
2830 eklentisine bak
Aslında DI Box'ların asıl amacı bu değil. Bu cihazlar yüksek çıkış empedanslı kaynakların düşük giriş empedanslı cihazlara bağlantısı için kullanılıyor. Ayrıca ground loop olduğu durumlarda dahili pille phantom güç verip ground loop'u kırmaya da yarıyor. Bunun dışında balanssız sinyalleri balanslıya çevirmeye de yarıyor. Ama burada bizim tek kullanım amacımız mikrofona phantom güç vermek olacak.

Maaşallah sende de yok yok abi. birtane e-ticaret sitesi kursan hiç malzeme almadan doldurursun. Distiribütör gibisin maaşallah![]()
![]()