0-30V 3A Ayarlı Güç Kaynağı UA723 TIP3055

Devrede değişikliğe gidip p-ch ile mos ları değiştirip hacimden kazanca gidilmez mi
Aslında aynı devreyi 1/3'üne kadar küçültebilirim. Tek kafama takılan yol kalınlıkları olur. Smd ye ve kicad'e geçmeden önce çizmiştim bunu. Acemilik zamanlarım geniş geniş takılmışım :)
 
Ben hala tam anlayamadım. Müsait olduğunuzda prensip şema Karalaya bilir misiniz.

Cizen HP bile olsa ozensiz semalara cok gicigim.

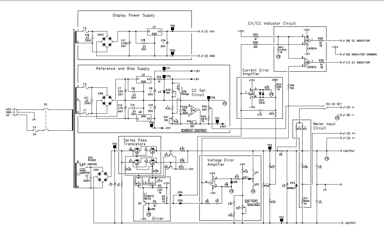
Cizimi daha anlasilir cizersek asagidaki gibi oluyor. Bu guc kaynaginin 3 modeli var. Semada cogu malzeme dusuk voltajli modellerde yok.
Aslinda semada seri transistor MOS olarak gosteriliyor olsa da bu sadece yuksek voltaj cikisli modelde MOS. Dusuk ve orta voltaj seviyeli modellerde darlington transistor. (Paralel transistorleri kolaylik acisindan teke indirdim.)

Guc katini suren Q2 transistoru. CR5'in bagli oldugu ve trimpot olarak gosterdigim kisimla aslinda kafa karistirmamak icin hata amplifikatoru olan U1 opampini modelledim.

Dusuk ve orta voltaj seviyeli modellerde zaten Q4 yok. Bu transistor anladigim kadariyla Gate Source bacagini yaklasik 7v civarinda sabitleyen zener olarak kullaniliyor.

0.6Ohm olarak gosterdigim direncin akim sinirlama ile alakasi yok. Gorevi guc katindaki paralel transistorlerde esit akim dagilimina katkida bulunmak.

Gene karmasaya neden olmamasi icin akim sinirlama direncini (R2) semaya dahil etmedim.

CR8 i -12v a baglamisim fakat Vo noktasina yani +12 ve -12 nin ortak ucuna bagli olacakti. Simdi farkettim.

1.jpg
 
Son düzenleme:
Cizen HP bile olsa ozensiz semalara cok gicigim.

Cizimi daha anlasilir cizersek asagidaki gibi oluyor. Bu guc kaynaginin 3 modeli var. Semada cogu malzeme dusuk voltajli modellerde yok.
Aslinda semada seri transistor MOS olarak gosteriliyor olsa da bu sadece yuksek voltaj cikisli modelde MOS. Dusuk ve orta voltaj seviyeli modellerde darlington transistor. (Paralel transistorleri kolaylik acisindan teke indirdim.)

Guc katini suren Q2 transistoru. CR5'in bagli oldugu ve trimpot olarak gosterdigim kisimla aslinda kafa karistirmamak icin hata amplifikatoru olan U1 opampini modelledim.

Dusuk ve orta voltaj seviyeli modellerde zaten Q4 yok. Bu transistor anladigim kadariyla Gate Source bacagini yaklasik 7v civarinda sabitleyen zener olarak kullaniliyor.

0.6Ohm olarak gosterdigim direncin akim sinirlama ile alakasi yok. Gorevi guc katindaki paralel transistorlerde esit akim dagilimina katkida bulunmak.

Gene karmasaya neden olmamasi icin akim sinirlama direncini (R2) semaya dahil etmedim.

CR8 i -12v a baglamisim fakat Vo noktasina yani +12 ve -12 nin ortak ucuna bagli olacakti. Simdi farkettim.

22130 eklentisine bak
Eskisi kadar vaktim olsa hemen çizer baskısını çıkarırdım ve konuyu güncellerdim.
 
Cizen HP bile olsa ozensiz semalara cok gicigim.

Cizimi daha anlasilir cizersek asagidaki gibi oluyor. Bu guc kaynaginin 3 modeli var. Semada cogu malzeme dusuk voltajli modellerde yok.
Aslinda semada seri transistor MOS olarak gosteriliyor olsa da bu sadece yuksek voltaj cikisli modelde MOS. Dusuk ve orta voltaj seviyeli modellerde darlington transistor. (Paralel transistorleri kolaylik acisindan teke indirdim.)

Guc katini suren Q2 transistoru. CR5'in bagli oldugu ve trimpot olarak gosterdigim kisimla aslinda kafa karistirmamak icin hata amplifikatoru olan U1 opampini modelledim.

Dusuk ve orta voltaj seviyeli modellerde zaten Q4 yok. Bu transistor anladigim kadariyla Gate Source bacagini yaklasik 7v civarinda sabitleyen zener olarak kullaniliyor.

0.6Ohm olarak gosterdigim direncin akim sinirlama ile alakasi yok. Gorevi guc katindaki paralel transistorlerde esit akim dagilimina katkida bulunmak.

Gene karmasaya neden olmamasi icin akim sinirlama direncini (R2) semaya dahil etmedim.

CR8 i -12v a baglamisim fakat Vo noktasina yani +12 ve -12 nin ortak ucuna bagli olacakti. Simdi farkettim.

22130 eklentisine bak
Teşekkürler. Bende simülasyonda çizip deneyeyim. Böylece konu tam anlaşılmış olur.
 
Simülasyonda sonuç alamadım. Belki ufak tefek atlanan konular vardı ama hala mantığı tam anlamadığımdan düzeltme yapamadım.

22132 eklentisine bak

Simülasyon
Simulasyonun beklendiği gibi çalışmaması bana da garip geldi. Azıcık ben de pırkaladım. 12V ve 30V kaynaklar 5V ayarlı. Mosun yanındaki NPN'yi anlamadım ters bağlı gibi duruyor, HP devre şemasında da öyle gibi, kollektör -12 bağlı, emitör mosfetin geyt'e bağlı; bildiğin ters gibi, amacı nedir, akım limitleme desen nasıl çalışıyor?

Devre bana @mehmetaliözdemir 'in kurduğu çinli devreyi hatırlattı. Bunun benzerinden yapmak istiyorum ölmeden önce (İstanbul depreminden evvel sağlam bir eve çıkmam lazım). Adını da "Garavel" koyacağım. Simetriğine de "Garavel X2" diyeceğim hızlı tekrarlayınca kulağa hoş geliyor.

circuit-20230209-1955.png


simulasyon
 
Simulasyonun beklendiği gibi çalışmaması bana da garip geldi. Azıcık ben de pırkaladım. 12V ve 30V kaynaklar 5V ayarlı. Mosun yanındaki NPN'yi anlamadım ters bağlı gibi duruyor, HP devre şemasında da öyle gibi, kollektör -12 bağlı, emitör mosfetin geyt'e bağlı; bildiğin ters gibi, amacı nedir, akım limitleme desen nasıl çalışıyor?

Devre bana @mehmetaliözdemir 'in kurduğu çinli devreyi hatırlattı. Bunun benzerinden yapmak istiyorum ölmeden önce (İstanbul depreminden evvel sağlam bir eve çıkmam lazım). Adını da "Garavel" koyacağım. Simetriğine de "Garavel X2" diyeceğim hızlı tekrarlayınca kulağa hoş geliyor.

22134 eklentisine bak

simulasyon
Kaynakları ayarlamadan link eklemişim. Ayarlasamda çalışmadı. Müsait olunca bende biraz daha parnaklayacam.
 
0.6v degil 7v civari olmasi lazim.

Bu arada Tina ile simule ettim sorun yok. O bahsi gecen transistoru kaldirip atabilirsiniz. Zaten o 0...120v arasi ayarlanan modelde kullaniliyor.
Surucude hic bir espri yok. Surucu transistor iletime gectikce gate voltajini dusuruyor.

Tina, simulasyon devresinde en azindan bir opamp istedigi icin opamp ekledim. Girise 8v genlikli (yesil) ucgen dalga verdim. Kahverengi olan da cikis voltaji.

1.jpg
 
Son düzenleme:
gate kaynak voltajını source veya drain ucuna bağlama arasında bir fark yok gibi. hangisi daha doğru olur?

22135 eklentisine bak

simülasyon
Gate voltajini normalde Gate Substrate arasina uygulariz. Fakat ureticiler Substrate ile Source bacagini iceriden bagladiklari icin gate voltajini gate source arasina veririz. Sen 12v u GS arasina veriyorsun. Drain tarafindan biaslarsan bu kez GS arasina 30-12=18v veriyorsun. Eger Vdd 200-300v olsaydi (daha dogrusu Vgs>18v olsaydi) drain bacagina gore voltaj veremezdin. (MOSun gate source arasi delinirdi.)
 
Son düzenleme:

Çevrimiçi üyeler

Forum istatistikleri

Konular
8,457
Mesajlar
138,732
Üyeler
3,352
Son üye
mustafakabadayı

Son kaynaklar

Son profil mesajları

mechanic ayhanarican mechanic wrote on ayhanarican's profile.
https://www.allmystery.de almanca biliyorsan burada araştır. Yapay zekada çeviriyor gerçi.
Almanların matematik bilgisi daha iyi oluyor.
“Kendi yolunu çizen kişi, kimsenin izinden gitmez.” – Nietzsche
Kim İslâm’da güzel bir çığır açarsa (güzel bir alışkanlık başlatırsa), onun sevabı ve kendisinden sonra ona uyanların sevapları, onların sevaplarından hiçbir şey eksilmeksizin ona da yazılır.
erdemtr55 taydin erdemtr55 wrote on taydin's profile.
Merhaba Taydin bey,
Gruba spms serisi yapıcak mısınız?
ben 3 sargılı toroid ile 2 adet flyback sürücek bir devre yapmayı düşünüyorum.size soracak sorularım vardı?
Mutluluğun resmi illa güzel çizilmiş tablo olmak zorunda değil.Bazen basit bir çizgi,doğru bir renk,yada küçük bir detay
Back
Top