Crea 19" Monitör Tamiri

Şimdi ben bu pwm entegresinin sinyal ürettiğini bir şeyleri yakmadan, patlatmadan nasıl anlarım?
R214 ve D203 diyot 'un aynı yönde, bir pinini devreden çıkartın. LD7575 'in 5 no 'lu pinini tekrar ölçün.
Voltaj durumu nedir bakalım?
semacrea.PNG
 
R214 ve D203 diyot 'un aynı yönde, bir pinini devreden çıkartın. LD7575 'in 5 no 'lu pinini tekrar ölçün.
Voltaj durumu nedir bakalım?11802 eklentisine bak

İkisini de söküp entegrenin 5 nolu pinini ölçtüm. Sanırım kare dalga çıkışı vermeye başladı. Çünkü multimetre de sürekli -
0.000 - 1.000
0.000 - 0.675
0.000 - 0.545
gibi voltaj oynamaya başladı.

Söktüğüm direnç ile diyotu da tekrar test ettim ve hala sağlam görünüyorlar.
 
Gate ile source arası zener diyot ve direnç kısa devre mi diye, 2 elemanı çıkarttırmıştım.
İş belli; bu bölgedeki elemanları tam kontrol etmeli, arızalı bir parça var ancak bulunamıyor.
 
Gate ile source arası zener diyot ve direnç kısa devre mi diye, 2 elemanı çıkarttırmıştım.
İş belli; bu bölgedeki elemanları tam kontrol etmeli, arızalı bir parça var ancak bulunamıyor.
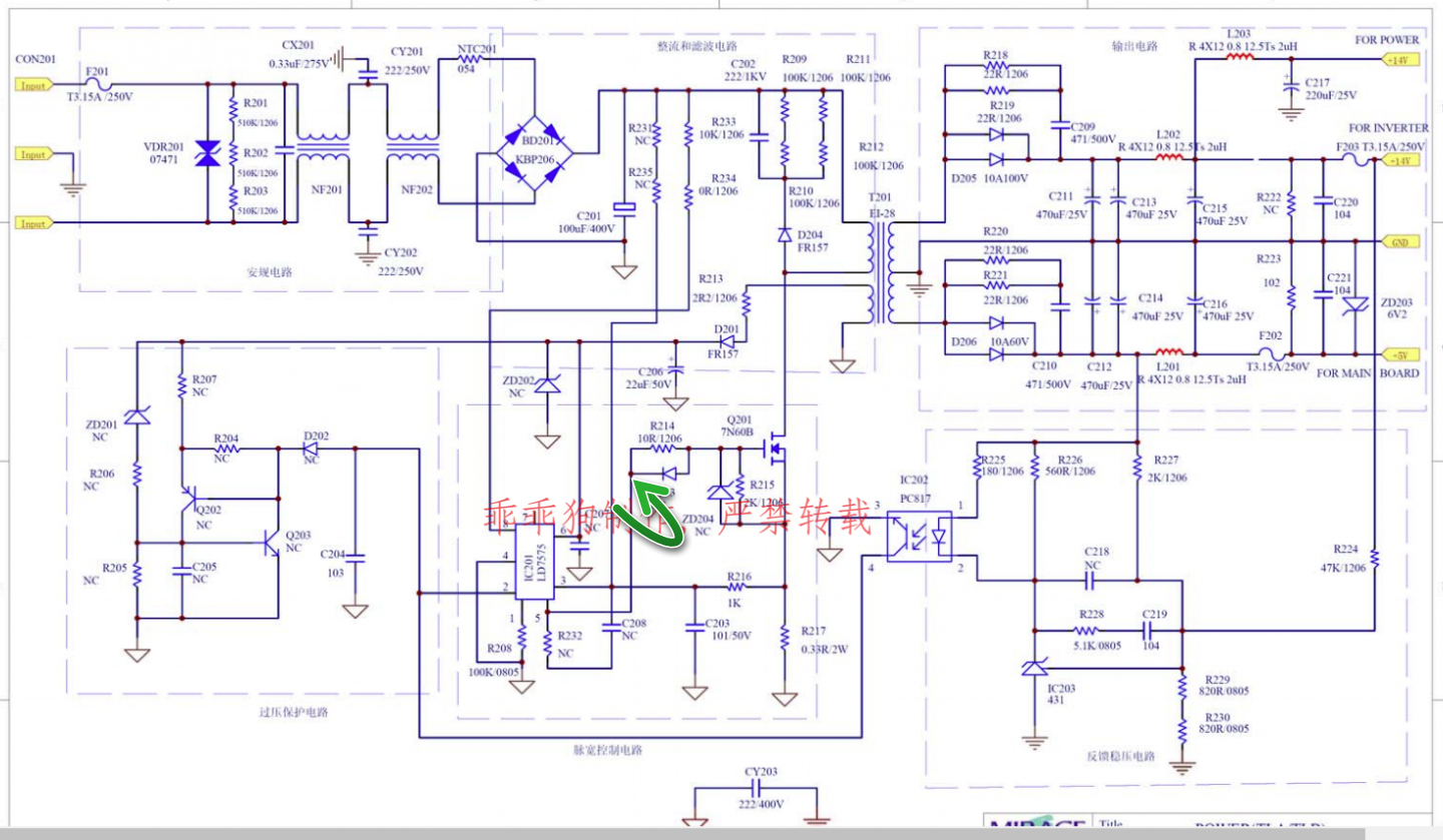
Kırmızı çizgi ile çizdiğim çemberin içindeki bütün elemanlara bakacağım.

arıza.PNG
 
Aslında senin osiloskop yazılımını laptop'a kurup, laptop'u da pille çalıştırırsan istediğin yerde ölçüm yapabilirsin. Ne osiloskop nede laptop havaya uçar. Ama bunun şöyle bir dezavantajı var, laptop gövdesi metal ise oraya şebeke FAZ voltajı gelebilir :katil2:
 
Aslında senin osiloskop yazılımını laptop'a kurup, laptop'u da pille çalıştırırsan istediğin yerde ölçüm yapabilirsin. Ne osiloskop nede laptop havaya uçar. Ama bunun şöyle bir dezavantajı var, laptop gövdesi metal ise oraya şebeke FAZ voltajı gelebilir :katil2:
windows 10 tablet var o olur mu?
 
windows 10 tablet var o olur mu?

Plastik gövdeli ise olabilir. Ama şansını fazla zorlama. Evde çoluk çocuk var, sen tuvalete gidersin o arada çocuk bir şekilde USB'nin metaline dokunabilir.

İki tane tam birbirinin aynı trafo var mı elinde? Mesela iki tane 220/24 veya iki tane 220/12? Eğer varsa, bunların sekonderlerini birbirine bağla. Bu şekilde bir izolasyon trafosu elde etmiş olursun.
 
Plastik gövdeli ise olabilir. Ama şansını fazla zorlama. Evde çoluk çocuk var, sen tuvalete gidersin o arada çocuk bir şekilde USB'nin metaline dokunabilir.
Asla prizde tehlikeli bir şey bırakıp odanın dışına çıkmam. Eğer mecbur kalırsam odanın kapısını çeker, evdekileri de girmemeleri konusunda uyarırım ki bu durum ev içinde olacaksam geçerlidir. Eğer evi terk edeceksem açık bir şey bırakmam mümkün değil. Çocuk artık 11 yaşında laftan anlıyor :)

İki tane tam birbirinin aynı trafo var mı elinde? Mesela iki tane 220/24 veya iki tane 220/12? Eğer varsa, bunların sekonderlerini birbirine bağla. Bu şekilde bir izolasyon trafosu elde etmiş olursun.
Şimdilik gerek kalmadı. Buldum sorunu.

Yeni entegreye rağmen dünkü problem aynen devam ediyor. Daha da fazla uğraşmak istemiyorum.
NE ZAMAN BIKIP VAZ GEÇMEZSEN, O ZAMAN İLERLERSİN. TAM KIRILMA NOKTASI ASLINDA BIKKINLIK NOKTASIDIR. BU NOKTADA VAZGEÇİLMEDİĞİNDE MUTLAKA İLERLEME KAYDEDERSİN.
R214 ve D203 diyot 'un aynı yönde, bir pinini devreden çıkartın. LD7575 'in 5 no 'lu pinini tekrar ölçün.
Voltaj durumu nedir bakalım?
Benim vazgeçtiğim noktada siz vazgeçmediğiniz için teşekkür ederim. Aslında daha ellemeyecektim ama yukarıdaki mesajınızın üzerine devam ettim ve sayenizde kırılma noktasını aştım.

Gelelim Çözüme.
Aslında en başından beri Eski LD7575 entegresi arızalı, diğer etrafındaki komponentler sağlamdı.
Biz entegreyi en sona bırakıp diğer komponentleri sök-test et-tak yapınca mosfetin gate ile source bacakları arasına bağlanan ZD204 kodlu zener diyotu ters bağlamışım. Bunu ters bağlamamın sebebi ise mosfete alt kısımdan baktığım için bacaklarını yanlış tayin etmem. Tam aceminin yapacağı bir hata bu. :D

Evet şimdi LD7575 bozuk ve ZD204 ters bağlı. Ancak ikisinden de haberimiz yok.
Yeni entegre alındı takıldı. Haydaa yine çalışmıyor. İşte sana kırılma noktası. ZD204'ün ters olduğundan habersiz olabilecek bütün elemanlar değiştirildi ama hala çalışmıyor.
Aslında çoktan vaz geçmişken son bir motivasyon ile şemayı açtım.
Sorun nerede 5 nolu bacakta.
5 nolu bacağa bağlı bütün yolları ve elemanları şemada kırmızı ile yuvarlak içine aldım.
Sonra bu elemanları tek tek kontrol etmeye başladım. O da nesi? ZD204 zener diyot ters.
Söktüm olması gerektiği gibi bağladım.
Şimdi Devre üzerinde yeni LD7575 var ve bütün elemanlarda doğru bağlı. Çalışmaması için hiç bir sebep kalmadı.
Taktım fişi. Ekrana görüntüyü aktaran karta giden besleme çıkışlarını ölçtüm. Daha önce bu çıkışlardan hiç voltaj alamıyordum.
Şimdi tam üzerinde yazdığı gibi 14v ve 5v çıkışları multimetre ile ölçebiliyorum.
Birazdan monitörü toplayıp çalıştığına dair ekran görüntüsünü atacağım inşallah.

Biraz alengirli yazdım sonucu ama tek düşündüğüm benim gibi acemilerin bu yazıma denk gelip okuması ve benim yaptığım hataları yapmaması.
 
Asla prizde tehlikeli bir şey bırakıp odanın dışına çıkmam. Eğer mecbur kalırsam odanın kapısını çeker, evdekileri de girmemeleri konusunda uyarırım ki bu durum ev içinde olacaksam geçerlidir. Eğer evi terk edeceksem açık bir şey bırakmam mümkün değil. Çocuk artık 11 yaşında laftan anlıyor :)


Şimdilik gerek kalmadı. Buldum sorunu.


NE ZAMAN BIKIP VAZ GEÇMEZSEN, O ZAMAN İLERLERSİN. TAM KIRILMA NOKTASI ASLINDA BIKKINLIK NOKTASIDIR. BU NOKTADA VAZGEÇİLMEDİĞİNDE MUTLAKA İLERLEME KAYDEDERSİN.

Benim vazgeçtiğim noktada siz vazgeçmediğiniz için teşekkür ederim. Aslında daha ellemeyecektim ama yukarıdaki mesajınızın üzerine devam ettim ve sayenizde kırılma noktasını aştım.

Gelelim Çözüme.
Aslında en başından beri Eski LD7575 entegresi arızalı, diğer etrafındaki komponentler sağlamdı.
Biz entegreyi en sona bırakıp diğer komponentleri sök-test et-tak yapınca mosfetin gate ile source bacakları arasına bağlanan ZD204 kodlu zener diyotu ters bağlamışım. Bunu ters bağlamamın sebebi ise mosfete alt kısımdan baktığım için bacaklarını yanlış tayin etmem. Tam aceminin yapacağı bir hata bu. :D

Evet şimdi LD7575 bozuk ve ZD204 ters bağlı. Ancak ikisinden de haberimiz yok.
Yeni entegre alındı takıldı. Haydaa yine çalışmıyor. İşte sana kırılma noktası. ZD204'ün ters olduğundan habersiz olabilecek bütün elemanlar değiştirildi ama hala çalışmıyor.
Aslında çoktan vaz geçmişken son bir motivasyon ile şemayı açtım.
Sorun nerede 5 nolu bacakta.
5 nolu bacağa bağlı bütün yolları ve elemanları şemada kırmızı ile yuvarlak içine aldım.
Sonra bu elemanları tek tek kontrol etmeye başladım. O da nesi? ZD204 zener diyot ters.
Söktüm olması gerektiği gibi bağladım.
Şimdi Devre üzerinde yeni LD7575 var ve bütün elemanlarda doğru bağlı. Çalışmaması için hiç bir sebep kalmadı.
Taktım fişi. Ekrana görüntüyü aktaran karta giden besleme çıkışlarını ölçtüm. Daha önce bu çıkışlardan hiç voltaj alamıyordum.
Şimdi tam üzerinde yazdığı gibi 14v ve 5v çıkışları multimetre ile ölçebiliyorum.
Birazdan monitörü toplayıp çalıştığına dair ekran görüntüsünü atacağım inşallah.

Biraz alengirli yazdım sonucu ama tek düşündüğüm benim gibi acemilerin bu yazıma denk gelip okuması ve benim yaptığım hataları yapmaması.
Eeee abi bunun üstüne güzel uyunur ya, geçmiş olsun.
 
Eeee abi bunun üstüne güzel uyunur ya, geçmiş olsun.
Yada soğuk su da içilebilir :katil2:

Görüntüyü alacağımdan kesin emindim ama aşağıdaki videodaki gibi bir sorun çıktı ortaya.
Aslında amaca ulaştık. Beslemeyi tamir ettik. Bu başka bir sorun süpriz oldu.
@posta nın bir yorumu olacaktır bu duruma.

 
1625561701806.png


Buradaki sorun zenerin ters takılması. LD7575 5 ci pinden gelen pwm sinyali tamamen gate-source arasını kısa devre ederek mosfeti çalıştırmıyordu. mosfet açılmadığından, optoyu harekete geçirmiyor ve dolayısıyla feedback sinyali olarak LD7575 e dönmüyordu.
LD7575 de kendisini kapatıyor.
 
Son düzenleme:
O zaman asıl arıza neydi yav? :) Yani zener düz bağlı iken niye çalışmıyordu bu?
 
O zaman asıl arıza neydi yav? :) Yani zener düz bağlı iken niye çalışmıyordu bu?
LD7575'in 5 nolu bacağı arızalıydı abi.

Üstad;
ilk LD7575 ölçümü yukarıda, bu ölçüm değerleri normal ve LD7575 sağlamdır derim....
Abi yeni LD7575 aldığımda eskisi ile bacak değerlerini karşılaştırdım.
Yeni LD7575'in GND ile 5 Nolu Pini arasında 0.675mV vardı. Eski entegreyi ölçtüğümde ise 0.120mV vardı.
Benim anladığım eski entegre yanmamış ama 5 nolu pini özelliğini yitirmiş.
 
LD7575'in 5 nolu bacağı arızalıydı abi.


Abi yeni LD7575 aldığımda eskisi ile bacak değerlerini karşılaştırdım.
Yeni LD7575'in GND ile 5 Nolu Pini arasında 0.675mV vardı. Eski entegreyi ölçtüğümde ise 0.120mV vardı.
Benim anladığım eski entegre yanmamış ama 5 nolu pini özelliğini yitirmiş.
5 no pindeki 0.120 mv değerini ölçüm toleransı olarak değerlendirmiştim.
Arızalıymış.
LD7575 çöp...
 
Merhaba Gökhan. Ben creaa 19 inç monitor beslemesiyle baya uğraşmıştım. Tecrüben baya vardı. Maalesef geç gördüm.
Sigorta açık
Varistor kısa devre
ld7575 bozuk
Akın algılama direnci 0.36 ohm iken 36 ohma yükselmiş
TL431 bozuk
pc817 bozuk
Bu 6 tanesini değiştirdiğimde sorun düzelmişti.
Bütün mesajları kabataslak okudum şu anda çalışıyor ama akım algılama direncini direnç kademesinde ölçtün mü? Mosfetin source ile gnd arasına seri bağlı direnç?
 
Merhaba Gökhan. Ben creaa 19 inç monitor beslemesiyle baya uğraşmıştım. Tecrüben baya vardı. Maalesef geç gördüm.
Sigorta açık
Varistor kısa devre
ld7575 bozuk
Akın algılama direnci 0.36 ohm iken 36 ohma yükselmiş
TL431 bozuk
pc817 bozuk
Bu 6 tanesini değiştirdiğimde sorun düzelmişti.
Bütün mesajları kabataslak okudum şu anda çalışıyor ama akım algılama direncini direnç kademesinde ölçtün mü? Mosfetin source ile gnd arasına seri bağlı direnç?
Ölçmediğim eleman kalmadı. Dersen ki "değeri neydi?" Vallahi hatırlamıyorum.
Aynı elemanları 3'er 4'er kez ölçünce hangisi neydi aklımda kalmadı.
Ama bayağı tecrübe edindim. Bundan sonra monitör tamirinde, en azından girişten trafoya kadar olan kısımda zorlanacağımı sanmıyorum.
 

Forum istatistikleri

Konular
8,779
Mesajlar
143,059
Üyeler
3,519
Son üye
Nurettin Baysal

Son kaynaklar

Son profil mesajları

Abdullah karaoglan falcon_browning Abdullah karaoglan wrote on falcon_browning's profile.
selamın aleyküm ses sistemindeki cızırtıyı hallettınızmi
"Araştırma, ne yaptığını bilmediğinde yaptığın şeydir." - Wernher von Braun
“Kendi yolunu çizen kişi, kimsenin izinden gitmez.” – Nietzsche
Kim İslâm’da güzel bir çığır açarsa (güzel bir alışkanlık başlatırsa), onun sevabı ve kendisinden sonra ona uyanların sevapları, onların sevaplarından hiçbir şey eksilmeksizin ona da yazılır.
erdemtr55 taydin erdemtr55 wrote on taydin's profile.
Merhaba Taydin bey,
Gruba spms serisi yapıcak mısınız?
ben 3 sargılı toroid ile 2 adet flyback sürücek bir devre yapmayı düşünüyorum.size soracak sorularım vardı?
Back
Top