Demonte laboratuvar güç kaynağı sorunu

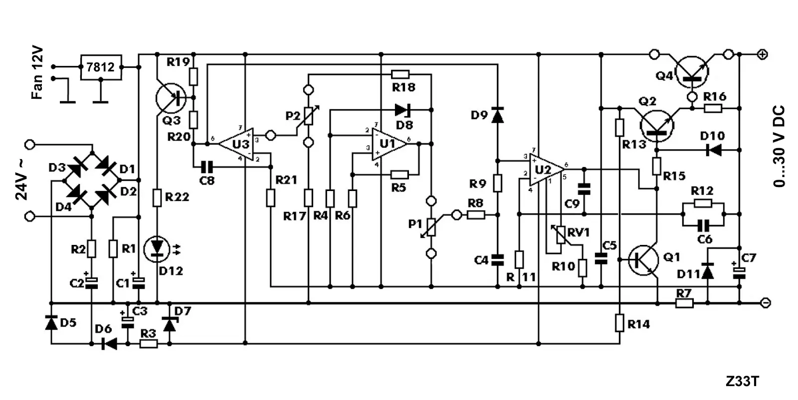
Devre şeması okuyabildiğini belirtmedin, ama ben gene de devre şemasını koyayım. Devrede sadece U1 kalsın, U2 ve U3 sök. U1 çıkşında 10V gibi bir değer olması lazım. Ölçümü şaseye göre yap, yani güç kaynağının eksi çıkışı.

Bu şekilde aşama aşama gitmen lazım. U1, voltaj referansını üretiyor ve bağımsız olarak doğru çalıştığını test edebilirsin.

Her şeyi monte edip test edersen, ya çalışır, ya çalışmaz. Çalışırsa sorun yok, çalışmazsa problemi bulmak daha zor olur.

1752329870701.png
 
Ölçmeye devam...
öncelikle bu transistörün altındaki opamp'ın beslemelerini kontrol et. Sonra da diğer opampların beslemesini kontrol et. 4 nolu bacaklarında -2.1V civarı voltaj olmalı. Diğer bacağı unttum. 7 yada 8 nolu bacak olması lazım. Ve orada olması gereken voltajıda unuttum. :)
Teşekkürler TL081 4 bacakta4,3 civarında - voltaj var 6 bacakta 3 volt civarı 7 bacakta 26 volt 8 bacakta 0,5 volt gibi bir değer var
 
Last edited by a moderator:
Devre şeması okuyabildiğini belirtmedin, ama ben gene de devre şemasını koyayım. Devrede sadece U1 kalsın, U2 ve U3 sök. U1 çıkşında 10V gibi bir değer olması lazım. Ölçümü şaseye göre yap, yani güç kaynağının eksi çıkışı.

Bu şekilde aşama aşama gitmen lazım. U1, voltaj referansını üretiyor ve bağımsız olarak doğru çalıştığını test edebilirsin.

Her şeyi monte edip test edersen, ya çalışır, ya çalışmaz. Çalışırsa sorun yok, çalışmazsa problemi bulmak daha zor olur.

42750 eklentisine bak
Merhaba Teşekürler Bilginiz İçin Devre şeması okuma olayı zayıf diyebilirim. Asil Meslek elektrik Elektronik Amatör olarak çalışmak bazı şeyleri çözüme ulaştırmak. Artık çoğu elektrikli aletleride elektronik devreler yerini aldı ikisini bir yürütmek amacım elimden geldiğince ama tekniğini anlayarak kolay gelsin emeğinize sağlık
 
Teşekkürler TL081 4 bacakta4,3 civarında - voltaj var 6 bacakta 3 volt civarı 7 bacakta 26 volt 8 bacakta 0,5 volt gibi bir değer var
Bir konuda hem benim hem Taydinin mesajlarını görüyorsan, beni boş ver Taydin ne söylüyorsa onu yap. Onun söylediği ölçümleri yap. Ben dereysem o deniz. :)
 
Devre şeması okuyabildiğini belirtmedin, ama ben gene de devre şemasını koyayım. Devrede sadece U1 kalsın, U2 ve U3 sök. U1 çıkşında 10V gibi bir değer olması lazım. Ölçümü şaseye göre yap, yani güç kaynağının eksi çıkışı.

Bu şekilde aşama aşama gitmen lazım. U1, voltaj referansını üretiyor ve bağımsız olarak doğru çalıştığını test edebilirsin.

Her şeyi monte edip test edersen, ya çalışır, ya çalışmaz. Çalışırsa sorun yok, çalışmazsa problemi bulmak daha zor olur.

42750 eklentisine bak
Merhaba u1 çıkışta (6 . bacakta) hiç voltaj yok 8 bacak ve 1. bacakta 25 voltaj alabiliyorum
 
Merhaba u1 çıkışta (6 . bacakta) hiç voltaj yok 8 bacak ve 1. bacakta 25 voltaj alabiliyorum

U2 ve U3 sökülü iken mi denedin? Bu önemli. Eğer U2 ve U3 sökülü iken U1 çıkışında voltaj yoksa, U1 in kendisi bozuk olabilir. Veya etrafındaki komponentler yanlış lehimlenmiştir (D8 doğru yönde mi bağlı?), lehimler iyi değildir (göz kontrolü) veya dirençler yanlış yere bağlanmıştır.

U1 in merkezinde olduğu devre, referans voltajını üretiyor. Onu tek başına çalışır hale getirmeden başka hiçbir ölçümü yapmanın bir anlamı yok.
 
U2 ve U3 sökülü iken mi denedin? Bu önemli. Eğer U2 ve U3 sökülü iken U1 çıkışında voltaj yoksa, U1 in kendisi bozuk olabilir. Veya etrafındaki komponentler yanlış lehimlenmiştir (D8 doğru yönde mi bağlı?), lehimler iyi değildir (göz kontrolü) veya dirençler yanlış yere bağlanmıştır.

U1 in merkezinde olduğu devre, referans voltajını üretiyor. Onu tek başına çalışır hale getirmeden başka hiçbir ölçümü yapmanın bir anlamı yok.
Evet u2 ve u3 sökülü iken u1 çıkışında voltaj alamadım. Etrafındaki kompanatları tekrar kontrol edeceğim. D8 doğru yönde. Devre ilk geldiğinde montaj ettiğimde çalışıyordur sanıırm sonradan kısa devreden sonra böyle olmuştu bende tek tek kontrol ettim hatta u1 hariç diğer u2 ve u3 soketli yapmıştım sok tak test daha kolay olsun diye. Şimdi öncelikle u1 de söküp soketli yapmak istiyorum.oraya yeni entegre takıp dediğiniz 10 volt testine bakıp diğer entegreleri takacağım duruma göre yazacağım tşkler. Not olarakta r1 drenci 2,2k de hafif ısınma oluyor bu normalmidir
 
Son düzenleme:
Devre şeması okuyabildiğini belirtmedin, ama ben gene de devre şemasını koyayım. Devrede sadece U1 kalsın, U2 ve U3 sök. U1 çıkşında 10V gibi bir değer olması lazım. Ölçümü şaseye göre yap, yani güç kaynağının eksi çıkışı.

Bu şekilde aşama aşama gitmen lazım. U1, voltaj referansını üretiyor ve bağımsız olarak doğru çalıştığını test edebilirsin.

Her şeyi monte edip test edersen, ya çalışır, ya çalışmaz. Çalışırsa sorun yok, çalışmazsa problemi bulmak daha zor olur.

42750 eklentisine bak
Merhaba u1 de soketli yaparak Diğer TL081 taktığımda yine u1 çıkışında (6 nolu bacak) ta 10 v ve benzeri voltaj alamadım Sadece IN +(3. bacak) bir entegrede 10v civarı diğerin 5 v okuyabildim entegrelerin hepsi bozuk olabilirmi testlerini nasıl yapabilirim yada bir geridemi arıza aramalıyım
 
İşaretli yerdeki hasarı doğru şekilde onardınız mı? Pcb nin alt tarafını görmediğimiz için emin olmak lazım.


20250714_220536.jpg
 
Merhaba u1 de soketli yaparak Diğer TL081 taktığımda yine u1 çıkışında (6 nolu bacak) ta 10 v ve benzeri voltaj alamadım Sadece IN +(3. bacak) bir entegrede 10v civarı diğerin 5 v okuyabildim entegrelerin hepsi bozuk olabilirmi testlerini nasıl yapabilirim yada bir geridemi arıza aramalıyım
Bu sistemde opamplar çok kolay bozuluyor. Heleki opamplar patates ise. Bence sen özdisandan adetlice opamp al. Onun ürünleri kaliteli.
Sonra da özdisandan aldığın opamplardan biri ile elindekilerin bacak ölçümlerini karşılaştırırsın. Duruma göre bozuk olup olmadığını anlarsın.
Bundan sonra da U1'in çalıştığına emin olmadan U2 ve U3'ü asla takma.
 
Bu sistemde opamplar çok kolay bozuluyor. Heleki opamplar patates ise. Bence sen özdisandan adetlice opamp al. Onun ürünleri kaliteli.
Sonra da özdisandan aldığın opamplardan biri ile elindekilerin bacak ölçümlerini karşılaştırırsın. Duruma göre bozuk olup olmadığını anlarsın.
Bundan sonra da U1'in çalıştığına emin olmadan U2 ve U3'ü as
Teşekkürler sipariş geçmem lazım elimde kalmamış o opamplardan ben genelde direnç netten veriyordum özdisanda bakacağım duruma göre tekrar yazarım
 
Şemaya 24V AC giriyor, Köprüden sonra DC 30V üstünde olur. TL081'in limiti 36V.
Şebekede ani dalgalanma sorun yaratabilir.

Diğer sorunlarda çıkabilir, girişler üzerinden.
Biz bu sorunu aşmak için MC34071 opamp kullandık. Yanlış hatırlamıyorsam 44V limiti var. DIP kılıfı biraz pahalı opamp. İmkan varsa alınması uygun olur. SMD kılıfı daha ucuz. Ben zamanında SMD alıp, SMD to DIP çevirici ile karta takmıştım. :)
 
Biz bu sorunu aşmak için MC34071 opamp kullandık. Yanlış hatırlamıyorsam 44V limiti var. DIP kılıfı biraz pahalı opamp. İmkan varsa alınması uygun olur. SMD kılıfı daha ucuz. Ben zamanında SMD alıp, SMD to DIP çevirici ile karta takmıştım. :)
Alternatif çözüm - referans voltage opampın beslemesine ldo takılabilir. Diğerlerine küçük direnç + zener yeterli olur belki.
 

Çevrimiçi personel

Forum istatistikleri

Konular
8,446
Mesajlar
138,531
Üyeler
3,343
Son üye
Yigitaatalay

Son kaynaklar

Son profil mesajları

mechanic ayhanarican mechanic wrote on ayhanarican's profile.
https://www.allmystery.de almanca biliyorsan burada araştır. Yapay zekada çeviriyor gerçi.
Almanların matematik bilgisi daha iyi oluyor.
“Kendi yolunu çizen kişi, kimsenin izinden gitmez.” – Nietzsche
Kim İslâm’da güzel bir çığır açarsa (güzel bir alışkanlık başlatırsa), onun sevabı ve kendisinden sonra ona uyanların sevapları, onların sevaplarından hiçbir şey eksilmeksizin ona da yazılır.
erdemtr55 taydin erdemtr55 wrote on taydin's profile.
Merhaba Taydin bey,
Gruba spms serisi yapıcak mısınız?
ben 3 sargılı toroid ile 2 adet flyback sürücek bir devre yapmayı düşünüyorum.size soracak sorularım vardı?
Mutluluğun resmi illa güzel çizilmiş tablo olmak zorunda değil.Bazen basit bir çizgi,doğru bir renk,yada küçük bir detay
Back
Top