Yeni güç kaynağı projesi.

Bendeki lehim sökme pompasından farkı ne bunun?

Hakko'ya verecek paran yoksa, ondan sonra alınabilecek en iyi seçenek bu. Silikon uç lehim yerinde iyi hava sızdırmazlık sağlıyor ve iyi vakum elde ediliyor. Pompa pistonunun sızdırmazlığı da iyi, vakum güçlü oluyor.
 
Silikon uç lehim yerinde iyi hava sızdırmazlık sağlıyor ve iyi vakum elde ediliyor.
Evet @Altair paylaştığı videoda farkettim.
Ucundaki esnek silikon yüzeyi daha iyi kavrıyor gibi.
Bendeki Proskit pompa ucu sert malzemeden yapılmış ama pompa performansı bana güzel geldi.
Başka pompa kullanmadım o yüzden de performans kıyaslaması yapamıyorum.
 
Proskit'e direnc.net'teki silikon ucu takarsan engineer ayarina gelir bence. Bende 20 TL'lik dandik pompa o yumusak ucla cok iyi cekiyor.
Bir tv tamircisi abimden duyduğum taktiği söyleyeyim. Eğer bozuk eski bir tüplü tv sökerseniz, ekli olan resimde kırmızı kare içerisinde gösterilen izolasyonu havya pompası ucunda kullanabilirsiniz.
images (2).jpeg
Yanmaz ve sert esnek bir malzemeden yapılmış. Tabiki tüpe giren tarafı değil kablonun üzerinde kalan silindirik tarafını kesip kullanacaksınız. Benim de dandik bir pompam var onun üzerinde 1 yıldir kullanıyorum gayet memnunum. Bu şekilde:
IMG-20240229-WA0009.jpg

IMG-20240229-WA0007.jpg


Bilemiyorum belki direnç netteki ürün daha yumuşaktır kullanmadığım için kıyaslayamayacağım. Ama altta verdiğim linkteki arızalı pcb den rj45leri bununla söktüm, lehim emme teli kullanmadan. Bu tip parçalari lastiksiz pompa ile sökmek çok zor.

 
O RJ45'lerin olduğu PCB çok katmanlı gibi duruyor. Bir de pathler ince olduğu için pompa ile sökebildiysen bravo, iyi sabır varmış. Ben genelde lehim topu filan yapıp diğer taraftan çekiyorum. Haşat etmeden nasıl söktün merak ettim. Söktükten sonrasına ait fotoğraf var mı?
 
O RJ45'lerin olduğu PCB çok katmanlı gibi duruyor. Bir de pathler ince olduğu için pompa ile sökebildiysen bravo, iyi sabır varmış. Ben genelde lehim topu filan yapıp diğer taraftan çekiyorum. Haşat etmeden nasıl söktün merak ettim. Söktükten sonrasına ait fotoğraf var mı?
Sökülmüş hali aynı gönderide var, hemen 2. Fotoğraf hocam, hmm sanırsam soketlerin sökülmüş halini sordunuz.
IMG-20240229-WA0012.jpg
Pcb çok katmanlı. Ve path içleri kaplı. Bu yüzden lehim iç yüzeye tutunuyor ve evet sökmesi zor oluyor. Ben önce tüm lehimleri çok az pasta ve lehim beraberinde tazeliyorum. Sonra düşük ısıda yuzeydeki ve kanal içerisindeki tüm lehim eriyene kadar path de havyayı bekletiyorum. Ucu lastikli pompa beraberinde hepsi geliyor. Ama dediğim gibi sadece yüzeydeki lehim erirse yani yeterli süre beklemessek lehimin hepsi gelmiyor, öyle olunca tekrar lehim verip path i doldurup, baştan deniyorum.
 
@taydin

Probun artı ucunu 1N5408 (D1 D2 birleşim yeri) sarı ile işaretli yerine ve Probun eksi ucunu 5v1 zenerin (D7 artı ucu) sarı ile işaretli yerine deydirince +37.2V ölçtüm.

WhatsApp Image 2024-03-13 at 11.53.34 PM.jpeg



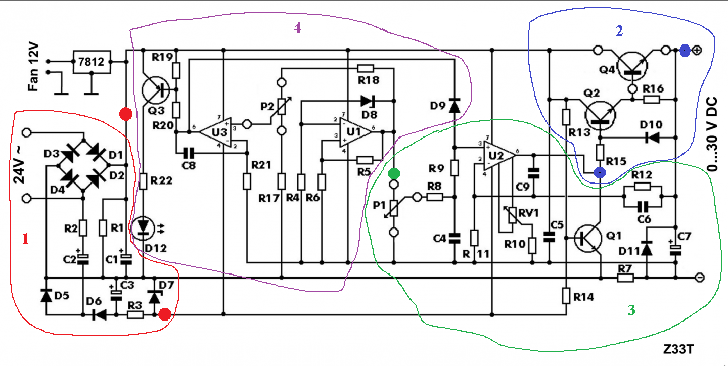
Herşey yolunda ise 2. bölüm montajı ile devam ediyorum.
devre-bloklu.png
 
Son düzenleme:
Aksi belirtilmedikçe C1 in negatifini ŞASE kabul et ve X voltajı nedir? diye sorulunca bunun ŞASEYE göre olduğunu varsay.

C1 nin üzerindeki voltaj eğer 30V gibi ise
D7 üzerindeki voltaj da -5.1V ise herşey yolunda demektir.

Sonraki aşama sadece U1 i takıp U1 çıkışında referans voltajı alıyor musun bakmak.
 
U1 ve U3 ayrı bölümler. İlk önce U1 yapılacak.
 
Aksi belirtilmedikçe C1 in negatifini ŞASE kabul et ve X voltajı nedir? diye sorulunca bunun ŞASEYE göre olduğunu varsay.
Ok.

C1 nin üzerindeki voltaj eğer 30V gibi ise
D7 üzerindeki voltaj da -5.1V ise herşey yolunda demektir.
C1 31 Volt civarı.
D7 -5.2V civarı

Sonraki aşama sadece U1 i takıp U1 çıkışında referans voltajı alıyor musun bakmak.
U2, U3, 7812 hariç tüm devreyi monte ediyorum, sonra U1 takıp referans voltaja bakıyorum.
 

Forum istatistikleri

Konular
8,421
Mesajlar
138,200
Üyeler
3,332
Son üye
diskayamert

Son kaynaklar

Son profil mesajları

mechanic ayhanarican mechanic wrote on ayhanarican's profile.
https://www.allmystery.de almanca biliyorsan burada araştır. Yapay zekada çeviriyor gerçi.
Almanların matematik bilgisi daha iyi oluyor.
“Kendi yolunu çizen kişi, kimsenin izinden gitmez.” – Nietzsche
Kim İslâm’da güzel bir çığır açarsa (güzel bir alışkanlık başlatırsa), onun sevabı ve kendisinden sonra ona uyanların sevapları, onların sevaplarından hiçbir şey eksilmeksizin ona da yazılır.
erdemtr55 taydin erdemtr55 wrote on taydin's profile.
Merhaba Taydin bey,
Gruba spms serisi yapıcak mısınız?
ben 3 sargılı toroid ile 2 adet flyback sürücek bir devre yapmayı düşünüyorum.size soracak sorularım vardı?
Mutluluğun resmi illa güzel çizilmiş tablo olmak zorunda değil.Bazen basit bir çizgi,doğru bir renk,yada küçük bir detay
Back
Top