Zero cross detector tavsiyesi

  • Konuyu başlatan Konuyu başlatan 132kHz
  • Başlama tarihi Başlama tarihi
Merhaba,
Foruma bu gün katıldım.

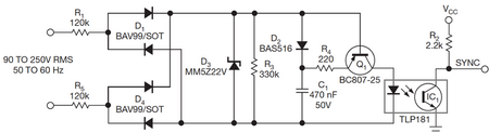
Alltaki devre EDN de yayınlanmış.
Zero Cross sırasında 200uS bir (sıfıra inen) pulse veriyor, düşük tüketimli, 200mW
220V girişinde BAV99 kullanılmış, 1N4007 tavsiye ederim.
"Zener 18V kadar indirilebilir" diyor, daha düşük voltajlı (25V) komponentler için.

Siz, transformatör kullanıyorsanız, seri dirençleri valtajınza göre ayarlamak mümkün.

zero-crossing-detector.png


zero-crossing-detector_scope1.png


zero-crossing-detector_scope2.png
 
Merhaba,
Foruma bu gün katıldım.

Alltaki devre EDN de yayınlanmış.
Zero Cross sırasında 200uS bir (sıfıra inen) pulse veriyor, düşük tüketimli, 200mW
220V girişinde BAV99 kullanılmış, 1N4007 tavsiye ederim.
"Zener 18V kadar indirilebilir" diyor, daha düşük voltajlı (25V) komponentler için.

Siz, transformatör kullanıyorsanız, seri dirençleri valtajınza göre ayarlamak mümkün.

40760 eklentisine bak

40761 eklentisine bak

40762 eklentisine bak
Öncelikle foruma hoş geldiniz

Scop görüntüsüne gore 24 v üzerinde test edilmiş ve yaklasık 3Voltta sıfıra inmiş buda 7.18 derece hata demek sıfıra geri çıkışıda -2 v civarında olmus buda 4.76 derece hata demek tabi 220 performansını da gormek lazım ama şu haliyle benim paylaştıgım devreye benzer bir hatası var (eger 300nA yeterliyse eğer mikro step in dediği gibi 1ma gerekliyse benim devreden 3 kat daha iyi ) ama yinede fidenin devresi çok daha iyi sonuç veriyor gibi duruyor
 
Bu son semada opto akimi sebekeden degil 100nF kapasitor tarafindan karsilaniyor. cok daha fazlasi da karsilanabilir fakat pals suresi daralir.
Zero anindan sonra 100n sarj olacak zamani buluyor.
 
Çok güzenli bir yöntem istiyorsanız AMC1311 + 5/5V izole çevirici kullanırsınız işlemcinin ADC'sine sokar, 100-200kHz gibi yüksek anahtarlama ile örnekler 5-10us aralıkla zeroyu algılarsınız.

Ya da....

Hepinizin evinizde kullandığınız süpürgelerin içinde triyak var. Hiç merak ettiniz mi bunları nasıl yapıyorlar. Orada da zero cross olmazsa olmaz sonuçta.
Adam 1Mohm dirençle işlemcinin içine girmiş. İşlemcinin içindeki diyotları kullanıyor sırf ucuzluk olsun diye. Bu devreden çıkarılacak çok dersler var.


1741553588076.png
 

Şebeke senkronizasyonu konusunda güzel bir yazı.

@132kHz 10k kullanmışım. Skop ile bakılabilir. Değee ne kadar büyürse 0 anından o kadar uzaklaşacaktır.
 

Şebeke senkronizasyonu konusunda güzel bir yazı.

@132kHz 10k kullanmışım. Skop ile bakılabilir. Değee ne kadar büyürse 0 anından o kadar uzaklaşacaktır.
ben 100 k okuyarak dahi çok iyi bir değer hesaplamıştım 10k ile çok daha iyi bir sonuç çıkıyor teoride şenekeyi 3.5 volttan sonra yakalıyor
 
Faz dirençle işliemci girişine bağlanacaksa yüksek voltajlı direnç kullanılmalı, aksi takdirde işlemcinin sonu gelir.
İki tane schottky diyot (işlemcinin iç koruma diyotlara paralel) ve İşlemci girişiyle gnd arasında basit filtreme için değeri C = 0.003 - 0.005/R kapasitor da eklenmeleri iyi olur.
Ayrıca geçitlerde olası gürültüye dikkat edilmeli.Varsa, yazılımda filtrelenmesini yapın.
 

Şebeke senkronizasyonu konusunda güzel bir yazı.

@132kHz 10k kullanmışım. Skop ile bakılabilir. Değee ne kadar büyürse 0 anından o kadar uzaklaşacaktır.
Yalnız direnç 10k olursa ortaya 2.5W gibi bir ısı çıkıyor. Bu devrenin ısındığı dikkatimi çekmedi ama saatlerce çalıştırıp denemedim. Bu noktaya dikkat edilmeli. Özellikle üstteki 2 adet 10k direnç ısınır diye düşünüyorum.
 
Mikro işlemci kullanacaksanız aşağıdaki (Zero Cross) entegreli devreyi inceliyebilirsiniz, "Latch" girişi ve ayarlanabilir "Threshold" imkanı var.
Oldukça yüksek izolasyon değerlerine sahip 7kV DC, 5kV RMS.
Ve hızlı, "Propagation Delay" 280nS

zero_cross_detector_an005-f13.gif

.
Ayrıca alttaki linkte bu devre dahil, siziin şemanıza benzer ve diğer tekniklerle yapılmış birçok çözüm var.

 
Son düzenleme:
Yalnız direnç 10k olursa ortaya 2.5W gibi bir ısı çıkıyor. Bu devrenin ısındığı dikkatimi çekmedi ama saatlerce çalıştırıp denemedim. Bu noktaya dikkat edilmeli. Özellikle üstteki 2 adet 10k direnç ısınır diye düşünüyorum.
Ben de uzun süreli çaliştırmayacağım zaten ihtiyaçtan değil denemek için yapıyorum 3 tane 5w 10 k sipariş etmişim keşke daha fazla sipariş etseydim beni 3 de durduran ne oldu bilmiyorum sanırım ıvır zıvır bissürü şey eklerken birden 4 haneli rakamlara çıkınca aldıgım yedekleri kıstım biraz
 
5w dirence gerek yok.
1w 3tane 10k olsa yeter. Hatta 2 tane 10 yerine 3 tane 10k olsa daha az ısı oluşur
 
Mikro işlemci kullanacaksanız aşağıdaki (Zero Cross) entegreli devreyi inceliyebilirsiniz, "Latch" girişi ve ayarlanabilir "Threshold" imkanı var.
Oldukça yüksek izolasyon değerlerine sahip 7kV DC, 5kV RMS.
Ve hızlı, "Propagation Delay" 280nS

40796 eklentisine bak
.
Ayrıca alttaki linkte bu devre dahil, siziin şemanıza benzer ve diğer tekniklerle yapılmış birçok çözüm var.

güzel bir çözümmüş profesyonel bir devrede kullanılabilir ayrıca linkteki devreler de güzel bir derleme olmuş.
Şimdilik fidenin paylaştığı devre ile ilerliyorum diğerlerinide deneyip görmek güzel olurdu aslında ama şuan elimde hiç malzeme yok
 
5w dirence gerek yok.
1w 3tane 10k olsa yeter. Hatta 2 tane 10 yerine 3 tane 10k olsa daha az ısı oluşur
Siparişi geçtim artık aslında wattına cok da dikkat ederek almamıstım 500v dayanma gerilimi olduğu için eklemiştim fiyatı da epey uygundu açıkcası boyutu felan cok önemli değil delikli plakete kuracağım zaten
 
Bulabileceğiniz en küçük boyutlu bir 220 to X trafo ve bir opamp ile hem izolasyon hemde tamı tamına sıfır geçiş elde edebilirsiniz.
Daha evel epey sıfır geçiş devreleriyle uğraştım.
Şebeke sıfır geçişleri için en ideal çözüm bu.

Ancak şebeke dışında sıfır geçişler biraz daha farklı.
Yüksek voltaj yüksek güç yada yüksek frekans devrelerinde akım trafosuna ihtiyaç duyulur.
 
Bulabileceğiniz en küçük boyutlu bir 220 to X trafo ve bir opamp ile hem izolasyon hemde tamı tamına sıfır geçiş elde edebilirsiniz.
Daha evel epey sıfır geçiş devreleriyle uğraştım.
Şebeke sıfır geçişleri için en ideal çözüm bu.

Ancak şebeke dışında sıfır geçişler biraz daha farklı.
Yüksek voltaj yüksek güç yada yüksek frekans devrelerinde akım trafosuna ihtiyaç duyulur.
Aslinda normal trafo da olur da asıl bu iş için mavi küp şeklinde x ile baslayan çin üretimi bir sensör ( transducer) de vardı maliyetini bilmiyorum ama uygun gibiydi
bütçe sınırsız ise daha önce lem in hall effect gerilim transducerini kullanmıştım pahalıydı ama tabi orada tek amaç zero cross değildi hem ac hem dc bileşenleri oluyup analiz etmekti

Eğer trafo kullanılırsa şebekeden gelebilecek tranziyentleri baskılayacak filtre devreleri de eklemekte fayda var

Yazarken sanki bu konuları daha önce konulmuşuz gibi hissettim nedense
 
Son düzenleme:
Bulabileceğiniz en küçük boyutlu bir 220 to X trafo ve bir opamp ile hem izolasyon hemde tamı tamına sıfır geçiş elde edebilirsiniz.
Daha evel epey sıfır geçiş devreleriyle uğraştım.
Şebeke sıfır geçişleri için en ideal çözüm bu.

Ancak şebeke dışında sıfır geçişler biraz daha farklı.
Yüksek voltaj yüksek güç yada yüksek frekans devrelerinde akım trafosuna ihtiyaç duyulur.
trafo faz kaydırmaz mı?
 
trafo faz kaydırmaz mı?

Sekonderi nasıl bağladığına göre değişir. Sekonder, primere göre ya 180 derece faz farklıdır yada aynı fazdadır. Tabi transformatör tasarımında özen gösterilmeyip birçok kaçak empedanslar varsa, 180 dereceden çok az bir fark olabilir (bilmiyorum belki birkaç derece), ama normalde neredeyse tam 180 derece veya 0 derece faz farkı elde edilebilir.
 

Forum istatistikleri

Konular
8,614
Mesajlar
140,904
Üyeler
3,426
Son üye
Fatih Kemal

Son kaynaklar

Son profil mesajları

Abdullah karaoglan falcon_browning Abdullah karaoglan wrote on falcon_browning's profile.
selamın aleyküm ses sistemindeki cızırtıyı hallettınızmi
"Araştırma, ne yaptığını bilmediğinde yaptığın şeydir." - Wernher von Braun
“Kendi yolunu çizen kişi, kimsenin izinden gitmez.” – Nietzsche
Kim İslâm’da güzel bir çığır açarsa (güzel bir alışkanlık başlatırsa), onun sevabı ve kendisinden sonra ona uyanların sevapları, onların sevaplarından hiçbir şey eksilmeksizin ona da yazılır.
erdemtr55 taydin erdemtr55 wrote on taydin's profile.
Merhaba Taydin bey,
Gruba spms serisi yapıcak mısınız?
ben 3 sargılı toroid ile 2 adet flyback sürücek bir devre yapmayı düşünüyorum.size soracak sorularım vardı?
Back
Top