Korad3005P(rev24Q02)

Yerine ebm-papst marka kare fan düşünüyorum sessiz serisinden kesinlikle bu fandan çok daha iyi soğtuma yapacaktır ama bu boyutta 12v ebm kare fan cihazdan daha pahalıdır : ))
Anakart ve display kartı lehimli değil buna sevindim birinine F-M header ile bağlanıyorlar.
mosfet sayısı arttırılarak ısı dağıtılabilir termal pad ile doğrudan heatsinke bağlanabilir felan ama bence o kadar da sesli değil hobi olarak yapılabilir 2. yi alırsam ben de uğraşabilirim
 
Trafonun yardımcı 12V sargısı, içindeki termik bu trafonun özel bir trafo olduğunu eğer kül edersek yüksek ihtimalle tekrar bulamayacğımı belirtiyor ama trafo çinin merdiven altı üretimi bile olsa hoşuma gitti,

güç katındaki transistörler 2SD1047 türkiyede bulunuyor hatta türkiyedeki en ucuz güç transistörü de olabilirler.
 
Akım ölçümü için bulunan direnç değil sanırım 0.75 tek tel çıplak bobin şeklinde sarılmış.
 
Akım ölçümü için bulunan direnç değil sanırım 0.75 tek tel çıplak bobin şeklinde sarılmış.
genelde öyle olur ucuz seylerde kendi kontol kartını tasarlarken bu da bir sorun aslında o direncin yüksek doğrulukta olçülüp kalbrasyon parametresi olarak ıslemciye yazılması gerek
 
genelde öyle olur ucuz seylerde kendi kontol kartını tasarlarken bu da bir sorun aslında o direncin yüksek doğrulukta olçülüp kalbrasyon parametresi olarak ıslemciye yazılması gerek
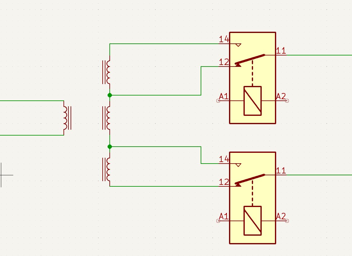
Önce kendim akım/gerilim ölçümü ile başlayacağım cihaza müdahale etmeden direkt çıkışından, akım gerilim ölçümünü doğru yaptıktan sonra kendim dac çıkışını ayırıp güç katını kontrol etmeyi deneyeceğim bunuda yapabildikten sonra kalanı süslemeler,belli gerilim seviyelerinde röle ile trafo kademelerini devreye alıyor sanırım bu cihaz ona da bakmam lazım trafo kaç kademeli.
Uydurabilirsek belki bir grafik lcd olmazssa üstündeki display ile devam
 
Önce kendim akım/gerilim ölçümü ile başlayacağım cihaza müdahale etmeden direkt çıkışından, akım gerilim ölçümünü doğru yaptıktan sonra kendim dac çıkışını ayırıp güç katını kontrol etmeyi deneyeceğim bunuda yapabildikten sonra kalanı süslemeler,belli gerilim seviyelerinde röle ile trafo kademelerini devreye alıyor sanırım bu cihaz ona da bakmam lazım trafo kaç kademeli.
Uydurabilirsek belki bir grafik lcd olmazssa üstündeki display ile devam
sanırım şu tarz bir yapı vardı kabaca çizdim
1705136421732.png
 
Hmm bunun amacı DC bara voltajını büyütüp küçülterek tr'ler üstünde düşecek gerilimi en az seviyede tutmak sanırım.
aynen 4 farklı voltaj kademesi var yanlızca ortadaki sargı , ortadaki + ustteki sargı , ortadaki + alttaki sargı , ustteki ortadaki ve alttaki sargı olmak üzere duruma gore voltajını seçiyor
 
aynen 4 farklı voltaj kademesi var yanlızca ortadaki sargı , ortadaki + ustteki sargı , ortadaki + alttaki sargı , ustteki ortadaki ve alttaki sargı olmak üzere duruma gore voltajını seçiyor
O zaman ya biz ısınmayı göze alacağız yada aynı methodu uygulayacağız.
Biraz uzun sürecek 2 op-amp 2ch dac ile bitirip gidebileceğimiz birşey değilmiş
 
Bu gün basit 2 op-amp ile akım gerilim ölçümü yapmayı deneyeceğim cihaza müdahale etmeden.
 
O zaman ya biz ısınmayı göze alacağız yada aynı methodu uygulayacağız.
Biraz uzun sürecek 2 op-amp 2ch dac ile bitirip gidebileceğimiz birşey değilmiş
bu ısınmayı goze almak pek mumkun gozukmuyor düşük voltajlarda çok aşırı ısınır yakmadan çekebileceğiniz akım cok düşer
 
ideal bir op amp ile akım ölçümü için şöyle birşey yaptım eğer bu yapıyı oturtabilirsem LM358 gibi birşey ile akım ölçümü için hiçbir hesap yapmama gerek kalmıyor;

adc read voltage = current.

Fakat şöyle bir handikapta var bu yüzden /2 yapmam gerekebilir.

koraddan yola çıkarak 1V = 1A dersek 5V = 5A oluyor kullanacağım mcu bu durumda ölçüm aralığı dışında kalacak max 3.3V adc'si var.
 

Ekler

  • OPA-CRR.mp4
    348 KB
RP2040'ın analog işlerdeki başarısızlığı bizi 2 seçenek arasında bırakacak,
Ya RP2040 kullanmaya devam edip "INA219" benzeri birşey kullanacağız.

Yada analog işlerde başarılı MCU'ya geçeceğiz.
 
Akım ölçümü devresini LM358 ile kurdum 5-10 dakika çok güzel çalışıyor bazen sapıtıp bambaşka birşey okuyor bazen hiç okumuyor veya sürekli kalibrasyon verisi değiştirmek gerekiyor.

Daha önce de pico ile analog işlerde uğraşmıştım pico bu konuda başarılı değil
 
Akım ölçümü için opamplar + ve - beslenmeli. Opamplar tek kanal beslendiklerinde özellikle sıfıra yakın gerilimleri okumada zorlanırlar. TL082 bence en iyi fiyat performans opamplarından bu konuda.
 
@volta olay neydi unuttum :))
 

Çevrimiçi personel

Forum istatistikleri

Konular
8,446
Mesajlar
138,531
Üyeler
3,343
Son üye
Yigitaatalay

Son kaynaklar

Son profil mesajları

mechanic ayhanarican mechanic wrote on ayhanarican's profile.
https://www.allmystery.de almanca biliyorsan burada araştır. Yapay zekada çeviriyor gerçi.
Almanların matematik bilgisi daha iyi oluyor.
“Kendi yolunu çizen kişi, kimsenin izinden gitmez.” – Nietzsche
Kim İslâm’da güzel bir çığır açarsa (güzel bir alışkanlık başlatırsa), onun sevabı ve kendisinden sonra ona uyanların sevapları, onların sevaplarından hiçbir şey eksilmeksizin ona da yazılır.
erdemtr55 taydin erdemtr55 wrote on taydin's profile.
Merhaba Taydin bey,
Gruba spms serisi yapıcak mısınız?
ben 3 sargılı toroid ile 2 adet flyback sürücek bir devre yapmayı düşünüyorum.size soracak sorularım vardı?
Mutluluğun resmi illa güzel çizilmiş tablo olmak zorunda değil.Bazen basit bir çizgi,doğru bir renk,yada küçük bir detay
Back
Top