Opamp'ı doğru çalıştırma

Yani bu devreyi daha basitleştirebileceğim bir yöntem var mı?

Çıkarabildiğim kadar ürünü çıkarıyorum örneğin, sadece opamp kaldığında 9v alıyor 7den ama ground'u bağladığım an yine 1.5v a düşüyor. Elimdeki 10 opamp varsa hepsi öyle. Diyorum demek ki tek başına böyle çalışması gerekiyor, o yüzden devreyi kuruyorum.
 
şema ile breadboard tutmuyor.

opampın 6 numaralı çıkış bacağından 2 numaralı negatif girişine 1meg dirençle dönmesi lazım en basitinden bu yok.
1 meg diren. kendi içinde kısa devre bağlanmış.
başka hatalar da olabilir detaylı bakmadım. ilk gözüme çarpan bu.

Düzelttim hocam direkt atlatmadan ordan oraya bacakları taktım
 
en basit deneyebileceğin opampa sadece 9 voltluk kaynağı artı ve eksiden bağla. bu durumda voltajın çökmüyor olması lazım. opamp ısınıyor mu ?
 
Direncin yeri yanlıştı ama ondan yanmamıştır. Daha önce yaptığınız yanlış bir bağlantı nedeniyle yanmıştır.
 
Şu bağlantıyı yap foruma at diyebileceğiniz başka basit bir devre var mı bu şekilde? Onu yaparsam belki daha kolay buluruz sorunu.
 
Önce DC çalışın, biraz eliniz alışsın. Örneğin buffer yapın, girişine de potansiyometre koyun. Sonra x2 yükseltici yapın.

Örnek buffer
1707420450891.png


Örnek x2 yükseltici
1707420534054.png
 
op-amp durduk yere bozulmaz hatta girişlerine voltaj vererek de bozulmaz. nerdeyse tek yol artı ve eksiyi ters bağlamak. elndeki op-ampların 741 olduğuna ve kaynağın dc olduğuna emin misin ?
 
Yanlış bağlantı yapıp tüm opampları denediysen hepsi bozulmuş olabilir.

Devre bordunun sürekli aynı yerini kullanıyorsan o yerde kısa devre olabilir.
 
Hani forumda birçok kişi diyor ya, lineer güç kaynağına gerek yok, akım sınırlamaya gerek yok, ona gerek yok, buna gerek yok diye. Akım sınırlamalı lineer güç kaynağı varsa, akım sınırını yaparsın 20 mA, ondan sonra rahat rahat opamp ile denemeler yaparsın. OPAMP'i bozma ihtimalin neredeyse sıfır. İşi öğrenirken büyük nimet.
 
Cevaplarınız için teşekkür ederim.

Öncelikle UA741CP'nin 7.bacağına 9v verip 4.bacağını ground'a bağladığım an çok hızlı bir şekilde ısınıyor ve duman çıkıyor. Onu kenara kaldırdım.

TL071 taktım, 9v verip ground bağlayınca ısınmıyor, onunla devam ediyorum.
Önce DC çalışın, biraz eliniz alışsın. Örneğin buffer yapın, girişine de potansiyometre koyun. Sonra x2 yükseltici yapın.

Örnek buffer
30139 eklentisine bak

Örnek x2 yükseltici
30140 eklentisine bak


Bunu yaptım hocam ama x2'yi başaramadım.

50k potansım yoktu 100k kullandım.

4.15v verdiğimde 4.30v çıkış veriyor tl071

WhatsApp Image 2024-02-09 at 12.57.19.jpeg



Ama 2.25 verdiğimde 0v verdiğini gördüm. O yüzden direkt 9v'a kadar açtım potansı. 9v verdiğimde 6.52v verdiğini görüyorum. Dirençleri yine yanlış bağladıysam sanırım şema okumayı bilmiyorum.

WhatsApp Image 2024-02-09 at 12.57.19 (1).jpeg

30151 eklentisine bak

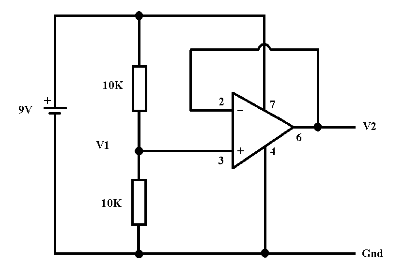
Bu devreyi kur.

Olcu aletinin siyah probunu GND ye bagla.
Olcu aletinin kirmizi probunu V1 yazan yere dokundurdugunda 4.5v
V2 yazan yere dokundurdugunda gene 4.5v okumalisin.


Az sonra yapacağım hocam.



op-amp durduk yere bozulmaz hatta girişlerine voltaj vererek de bozulmaz. nerdeyse tek yol artı ve eksiyi ters bağlamak. elndeki op-ampların 741 olduğuna ve kaynağın dc olduğuna emin misin ?

Kaynağım dc evet hocam, 741'i kenara aldım ısındığı için TL071 ile devam ediyorum.

Yanlış bağlantı yapıp tüm opampları denediysen hepsi bozulmuş olabilir.

Devre bordunun sürekli aynı yerini kullanıyorsan o yerde kısa devre olabilir.

Haklısınız hocam, çalıştığım noktaları ara ara değiştiriyor veya kısa devre kontrolü yapıyorum multimetre ile.


Hani forumda birçok kişi diyor ya, lineer güç kaynağına gerek yok, akım sınırlamaya gerek yok, ona gerek yok, buna gerek yok diye. Akım sınırlamalı lineer güç kaynağı varsa, akım sınırını yaparsın 20 mA, ondan sonra rahat rahat opamp ile denemeler yaparsın. OPAMP'i bozma ihtimalin neredeyse sıfır. İşi öğrenirken büyük nimet.

Benim konumumda birisi için %100 doğru bilgi hocam. Gerçekten güç kaynağı sıkıntısı çok oluyor. Evdeki birkaç 9v 12v veya ayarlanabilir ufak adaptörle bir yere kadar idare edilebiliniyor. Mesela şuana kadar kullandığım güç kaynağının çöktüğünü mesajlardaki destekler sayesinde farkedebildim. 100ma çıkışından kullanıyordum. Rakamsal olarak biraz yüksek geldiği için güç kaynağı almamıştım, imkanım olursa veya ufak bir modeline denk gelirsem alacağım.
 
en basitinden son yolladığın fotoğtafta entegrenin 4 munaralı bacağı boş görünüyor. tl071'in eksi besleme ucu boşta bu durumda. 7 numara da boşta vdd de almıyor.

pot da yanlış bağlı gibi. referans voltajı orta uçtan alıyor olman lazımdı.
 
en basitinden son yolladığın fotoğtafta entegrenin 4 munaralı bacağı boş görünüyor. tl071'in eksi besleme ucu boşta bu durumda. 7 numara da boşta vdd de almıyor.

pot da yanlış bağlı gibi. referans voltajı orta uçtan alıyor olman lazımdı.


Hocam ben şemada ne gördüysem onu bağlıyorum.

Potans şu şekilde bağlı:

1- 9v
2- output
3- ground

2-output opampın 3.bacağına gidiyor. 2den de 6ya feedback bağlantısı var. Dediğiniz gibi 7 ve 4 boş.


4ü grounda bağlayıp 7.bacağa 9v verdiğimde. Potansı 2.5v verecek şekilde 3.bacağa akım gönderdiğimde 0.8v output oluyor 6.bacakta.
 
Son düzenleme:
Hocam ben şemada ne gördüysem onu bağlıyorum.

Potans şu şekilde bağlı:

1- 9v
2- output
3- ground

2-output opampın 3.bacağına gidiyor. 2den de 6ya feedback bağlantısı var. Dediğiniz gibi 7 ve 4 boş.


4ü grounda bağlayıp 7.bacağa 9v verdiğimde. Potansı 2.5v verecek şekilde 3.bacağa akım gönderdiğimde 0.8v output oluyor 6.bacakta.
Bir terslik var gibi görünüyor. Opampın besleme bacaklarını bağladıktan sonra tüm sisteme güç vermek lazım. Eğer potansiyometre güç kaynağına bağlı iken 7 ve 4 besleme bacaklarını bağladıysan, ve bu sırada potansiyometre sonuna kadar çevrili durumdaysa çip bozulmuş olabilir. Belki de breadboard düzgün çalışmıyordur, temassızlık vardır.
 
kullandığın bread board bozuk olabilir mi. eğer kalın teller taktıysan bazı girişleri esnemiştir daha sonra ince bir tel taktığında o bacak değmiyor olabilir. dirençlerin ucunda bazen yapışkan artık kalabilir. bunlar kanalların içine gidip temassızlık yapabilir.

bu yüzden ölçümleri hep çipin bacaklarından yapmak en sağlıklısı.
 
Bir terslik var gibi görünüyor. Opampın besleme bacaklarını bağladıktan sonra tüm sisteme güç vermek lazım. Eğer potansiyometre güç kaynağına bağlı iken 7 ve 4 besleme bacaklarını bağladıysan, ve bu sırada potansiyometre sonuna kadar çevrili durumdaysa çip bozulmuş olabilir. Belki de breadboard düzgün çalışmıyordur, temassızlık vardır.


Potansı komple açarsam 9v verdiğinde opamp çok yüksek derecede ısınmaya doğru gidiyor, hemen geri kapıyorum hocam. Az önce denedim aynısı oldu.

kullandığın bread board bozuk olabilir mi. eğer kalın teller taktıysan bazı girişleri esnemiştir daha sonra ince bir tel taktığında o bacak değmiyor olabilir. dirençlerin ucunda bazen yapışkan artık kalabilir. bunlar kanalların içine gidip temassızlık yapabilir.

bu yüzden ölçümleri hep çipin bacaklarından yapmak en sağlıklısı.


jumperları taktıktan sonra devamlılık testi yapıyorum aslında orada bir sorun yok, dirençleri de ölçerek takıyorum. Tamamdır hocam opamp bacaklarından ölçerek devam edeyim bundan sonra

Şuan potansı dediğim gibi 9v verecek kadar açamıyorum muhtemelen yanacak opamp öyle açıp bırakırsam
 

Forum istatistikleri

Konular
8,422
Mesajlar
138,208
Üyeler
3,334
Son üye
FormBond

Son kaynaklar

Son profil mesajları

mechanic ayhanarican mechanic wrote on ayhanarican's profile.
https://www.allmystery.de almanca biliyorsan burada araştır. Yapay zekada çeviriyor gerçi.
Almanların matematik bilgisi daha iyi oluyor.
“Kendi yolunu çizen kişi, kimsenin izinden gitmez.” – Nietzsche
Kim İslâm’da güzel bir çığır açarsa (güzel bir alışkanlık başlatırsa), onun sevabı ve kendisinden sonra ona uyanların sevapları, onların sevaplarından hiçbir şey eksilmeksizin ona da yazılır.
erdemtr55 taydin erdemtr55 wrote on taydin's profile.
Merhaba Taydin bey,
Gruba spms serisi yapıcak mısınız?
ben 3 sargılı toroid ile 2 adet flyback sürücek bir devre yapmayı düşünüyorum.size soracak sorularım vardı?
Mutluluğun resmi illa güzel çizilmiş tablo olmak zorunda değil.Bazen basit bir çizgi,doğru bir renk,yada küçük bir detay
Back
Top