frmman
Aktif Üye
- Katılım
- 27 Haziran 2024
- Mesajlar
- 800
@Mikro Step yukarıdaki mesajdaki potansiyometre resmini sonradanmı değiştirdin? Yoksa benmi yanlış gördüm 



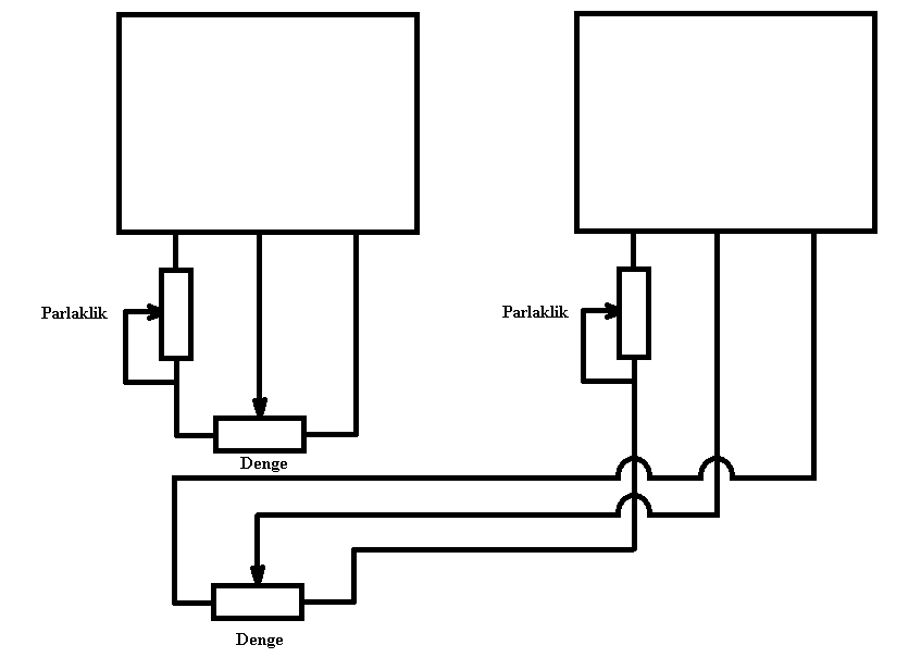
Potansiometre nin ayakları ile bu gönderdiğiniz şemayı nasıl anlayabilirim. Daha önce stereo bağlamadım hiç. Temel elektronik bilgim var gibi düşünün.Hem parlaklik hem de denge icin de iki tane steryo potansiyometre kullanacaksin.
36600 eklentisine bak
Biraz daha detay verirsen potansiyometre degerlerini tespit edebiliriz. Belki de gerek kalmaz deger secici olmayabilir.
Not: Triac ı unutun. Sadece AC devrelerde kullanabilirsiniz.@Mikro Step in önerisi en basit ve uygulanabilir çözüm.
Stereo potansiyometre şuna benziyor.
36601 eklentisine bak
Mosfetlerin kullanımlarını bu ışıkları araştırırken ve sayeniz de daha iyi öğrendim. Bu devre aslın da sadece mosfet, bunu alıp güzel bir soğutucuya yetleştirsem daha uygun olabilir diye düşünüyorum hocam, Ya da bu mosfetlerin teknik değerlerini inceleyip ona göre mosfet, yani daha az ısınacak bir mosfet seçmek daha mı doğru olur acaba ?Triyak burada başına bela olur, yani kullanma. Isınma problemi çift taraflı beladır, hem led tarafı hem triyak tarafı dert olur.
Godox anakart üzerinde step-up çevirici var. Pilden gelen voltajı yükseltip sabitliyor. Böylece renk bozulması olmadan istediği rengi verebiliyor. Her sahnede aynı renk tonu elde etmek önemli. Sendeki step down, girişi yüksek olunca işe yarar. step-up olursa daha iyi olur.
Arduino olarak ESP32 seçersen çok daha iyi olur. Gelişime açık bir tasarım yaparsın. PWM frekansı mega hertz seviyesine kadar verebilir, ayrıca daha sonra ekran, wifi gibi ek özellikler kazandırabilirsin. Mesela godox ta cep telefonunda resim çekip resimdeki bir noktanın rengini, aydınlatma sıcaklığını bana ver gibi bir özellik var. bir sahneyi tekrar edebilme şansını tanıyor. İki farklı çekim arasında renk farkları oluşmaz böylece. Yukarda verdiğim linkteki anakartın programında birçok farklı özellik mevcut. Yıldırım, alev, televizyon, polis, itfaiye gibi...
şu şekilde modüller var, mosfet modülünü pwm ile sürebilirsin. 30 kilo hertz civarına kadar rahatça çalışır, soğutucu ekleyerek kullanılmalı. 3 amper civarı yük bindireceksin, soğutucusuz 1 ampere kadar dayanabilir.![]()
IRF520 MOSFET Sürücü Modülü Uygun Fiyatıyla Satın Al - Direnc.net®
IRF520 MOSFET Sürücü Modülü ürününü uygun fiyatı, hızlı kargo seçeneği ile Diğer Sensör ve Modüller kategorisinden online olarak Türkiye'nin en büyük elektronik komponent satış sitesi Direnc.net® 'ten hemen satın alabilirsiniz.www.direnc.net
Ledleri PWM ile sürersen daha az ısınır, daha az elektirik çeker, çalışma süren artar.
işlemci ile illa potansiyometre gerekmez, bir seçenek tabi. Tuşlarla kontrol edilebilir.
Motor sürücüsü olabilir, fakat biraz aşırıya kaçmak demek olur.
Potansiyometre ile dimleme işi zorlar, devren 6-7 amper çekecek. Bu akıma dayanabilecek POT bulup korumak zor. O tiptekiler 70lerin teknolojisi, transistörlerden sonra pek kullanımı kalmadı.
Sizin için araştırıp şöyle bir video buldum. Tüm detaylarını anladığım kadarı ile yazıyor.Mevcut durumda kullandigin potansiyometrenin degeri nedir?
Elindeki guc kaynaginin pot vs baglanan kisminin da fotosunu cekersen resim uzerinde izah ederim.
Hakan hocam tekrar teşekkür ederim sizlere bana çok değerli bilgiler veriyorsunuz.Step-up mobilite demektir. Pille istediğin yere taşıyabilme yeteneği demek olur. O karar senin.
Pahalıya satıyorlar, kendim yapsam olmaz mı dedin, pahalıyı yapmayı gösteriyorum o yüzden. Ucuzları taklit etmek istiyorum dersen farklı tabi.
Triyak, gate voltajı eşiği aşınca elektriği geçirir. Doğru akımda kısa devre yapıp kapatmak gerekir, yoksa sürekli açık kalır. Alternatif akımda voltaj sürekli kendi sıfıra düşer, sıfıra düşünce kendi kapanır.
Mosfet modüllerinde mosfetin gate ucunda olması gerekenler önceden ayarlı, acemiler için gayet iyi bir modül. Yüksek frekanslı PWM de az ısınırlar. Sana yetecek modülün linkini verdim. Soğutucu alüminyum blok bağlamak şartıyla tabi. Daha büyük paketlerde yine aynı soğutma derdin olacak. Daha güçlüsünü seçebilirsin, orası sana kalmış. Godox anakartında kartın kendisi soğutucu gibi kullanılmış, ama ledler 23w o modelde. Soğutucusuz çalışabilecek kadar düşük.
200w ciddi bir ışık gücü, bunu küçük bir kaynaktan kullanman yine dert, dağıtma gerekebilir. COB için soğutucu ve lens satıyorlar. Resimdeki sağlı sollu olanı foto için direkt kullanmak ayrı bir dert. Bir yansıma şart. Godox, ulanzi gibi ustaların ürünlerinden örnek almak işini kolaylaştırır.
Bu tirim potlara ek olarak ekstra bir minimum maksimum arayı ayarlayabilecek bir potans daha bağlanabilirmi acaba ? Ya da devre üzerindekileri bu videodaki gibi kullanıp min ve max ı bunlar ile ayarlayıp, Stereo ile de söylediğiniz gibi ayarlasak ?
SMPS bildiğiniz led trafosu aslında değilmi ?SMPS yüksek frekansta çalışır, 12v SMPS 100w için 10A kapasiteli seçersen ısınma derdin çok olmaz. Frekans arttıkça ısınma azalır. 24v 5A yine yeterli olur.
Step-up çevirici, gelen enerjiyi önce bobine yükler, bobinde enerji manyetik akım olarak depolanır. Sonra yüklemeyi keser, manyetik akım geri bakır kablolara doğru elektriksel akıma dönüşür. Bu geri tepme voltajı verdiğin voltajdan yüksek olur. Tek yön geçiş yaptırabileceğin şekilde bir diyot üzerinden geçer. Diyotun ucunda depolama kapasitörü vardır. Bu kondansatörde yeterli voltaj birikene dek bobin yükleme, kesme döngüsü devam ettirilir. Senin kullanmak istediğin, gösterdiğin model bu şekilde. Bunlarda ısınma problemi var. O yuvarlak siyah bobin olanlar.
Farklı yöntemde, pahalı olanlarında süreklilik içinde olanları var., ısınma çok az. Aynen SMPS 220 den 12 ye dönüştüren SMPS gibi çalışan, sarı trafolu, giriş çıkış arası, sürekli yüksek frekansla sürülenlerde ısınma oluşmaz. SMPS led trafolarındaki gibi sarı bantlı trafolu olan modeller. Güneş panelleri için kullanılan inverterler gibi.
Çıkışta almak istediğin gücü hesapla, volt çarpı amper şeklinde devam et. 200w led var, 12v ile 17A x 12v = 204w, biraz daha yukarısı olmalı, 20A seçersin gibi.
Bak, Bülent hoca acayip bi tasarım yaptı. Tam sıcaklık değerini vermez ama çok detaya ihtiyacın yoksa, profesyonel olmayacaksa şahane. Elinde lüksmetre, spektrometre varsa işine yarar.
Hocam peki direnç bu yük altın da ısınmayacakmı, ısı farklılıkları oldugun da bu değerler değişmeyecekmi ? Bunun yerine ayarlanabilir bir ek potans koysak daha uygun olmazmı sizce ?Ucuncu bir potansiyometreye gerek yok. Sadece ledlerin max akimini sinirlamak icin ilave direnc baglanacak.
Isigin siddetini parlaklik ayarindan belirleyeceksin. Sonra isigin rengini beyaz sari arasinda denge ile ayarlayacaksin.
Basliktaki ilk mesajindan bu modulu kullandigini ve ledlerin isigini ayarladigini anliyorum. Eger oyle ise fotodaki baglantiyi yapman cok zor olmayacaktir.
Oteki turlu pwm, MCU islerine girer ve bunlari sen yapacak olursan isin cok uzar.