JBC marka saplara kontrol unitesi tasarimi projesi

Mosfet off oldugunda sargilari kisa devre etmeyecegim. O sargi flux geri beslemesi icin.

Simulasyondan da goruldugu uzere flyback peryodu basa dert olacak ve diyodlarin akimini seri mos baglayarak flyback asamasinda kesmek gerekecek.

1701601359626.png


Miknatislama enduktansini cok artirinca degisen bir sey yok.

1701601682026.png


Ilave 2 mos gerekecek.
 
Son düzenleme:
Bu simulasyonlarda en alttaki kırmızı çizgi neden çok düzgün , çıkış değil mi ? üstteki yesilin benzeri bir şekil oluşması gerekirdi, simulasyon programı moktan bence , ben de bir simulasyon programı yazmayı düşünüyorum.

çiziminde moslar tam dengede kalıyor çok ısınır , bu şekilde sürersen daha iyi olur. En güzeli sen E trafoyu ikiye bol ayrı ayrı iki forward yap böyle devre çok moktan oldu :D

untitled.JPG
 
Cunku en alttakinde mos flyback peryodunda enduklenen gerilimle iletime gecemiyor (gecmemesini istiyoruz zaten). Ama oteki gecebiliyor. Dikat edersen transformatorun bir kolunu diger kolundan daha uzun sure surdum.

Bu sorunlardan dolayi transformatoru klasik forward yapisina cevirdim fisekleri de iki ayri mosla surdum. Artik hic bir seyi dert etmeye gerek kalmadi. Transformatoru %50 dutynin altinda surdugum surece sorun olmayacak.
1.jpg


2.jpg
 
Son düzenleme:
Elimde tek bir direnc dahi malzemem yok. Atelyemde olsaydim simdiye 10 kere farkli devre kurar denerdim. Mevcut durumda tum malzemeleri Farnell'den almak zorundayim ve Farnell cok maliyetli. Cinden malzeme getirmekle de zaman kaybetmek istemiyorum.

O yuzden hic dusunmeden en ucuz opamplardan LM358i sectim. Bana getirecegi buyuk bir olumsuzluk gormuyorum.
LM358'in yeni jenerasyonu LM358B. Onu özellikle kullanmanızı tavsiye edebilirim. LM358, LM358P ve LM358A gibi serilere göre ofset voltajı çok daha düşük (300uV) ve drain daha yüksek. Fiyat olarak da hala çok uygun.


1701636380967.png
 
LM358'in yeni jenerasyonu LM358B. Onu özellikle kullanmanızı tavsiye edebilirim. LM358, LM358P ve LM358A gibi serilere göre ofset voltajı çok daha düşük ve drain daha yüksek. Fiyat olarak da hala çok uygun.


27176 eklentisine bak
Ben LM358B ile okuyorum havya tc'sini. T12 için hazırlanmış bir projeye, JBC havya ucunu T12 uç gibi bağladım. Kalibrasyon yaptıktan sonra gayet isabetli oldu sıcaklık regülasyonu(+-3 derece elimdeki ut 139 multimetre termokupulüne göre). TLV2333 ile de deneme yaptım aynı devre üzerinde. Dandik bir SMPS ile 9 voltta çalışıyor. Skop görüntüleri şöyle oldu.

LM358B 200 derece ayarlı havya ile:
SDS00008.png



TLV2333 150 derecedeki havya ucu ile
SDS00007.png



TC inputuna daha büyük kapasite bağlayınca (10KOhm ve 6nF lowpass) : aşağıdaki gibi (TLV2333)
SDS00005.png


Opamp kazancı 181, evirmeyen yükselteç şeklinde ve dirençler 100 Ohm ve 18 kOhm.

Skopta gürültü belirgin ama sıcaklık regülasyonu için problem olmuyor. T12 için olan proje koduna müdahale etmedim. Sadece opamp gain dirençlerini değiştirdim ve kalibrasyon menüsünden uca göre kalibrasyon yaptım.

Proje bu: https://oshwlab.com/wagiminator/z-solderingstation-smd-v2

Ekleme:

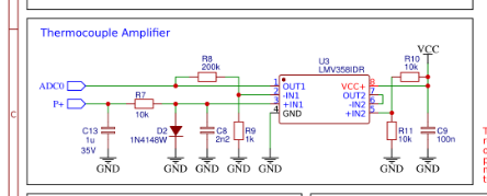
Bu projede havya ısıtıcısı ve TC seri bağlı ve havya 2 kontaktan sürülüyor. TC okuyan devresi şu :
1701643724030.png



Havyaya enerji verildiğinde P+'da yüksek voltaj oluyor (Isıtmak için kullanılan kaynak voltajı 9 ila 20V) D2 5V beslenen opampın inputunda voltajın sınırlanması için.

Opamp çıkışı yüksekken havyaya güç verilmiş oluyor ve diyota düşen voltajı yükseltiyor opamp. Havyanın gücü kesildiğinde opamp inputuna sadece TC voltajı geliyor ve bu durumda opamp çıkışında anlamlı, yani yükseltilmiş TC voltajı görülüyor.
 
Son düzenleme:
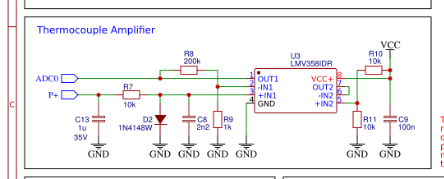
Bu projede havya ısıtıcısı ve TC seri bağlı ve havya 2 kontaktan sürülüyor. TC okuyan devresi şu :
1701643724030.png


Havyaya enerji verildiğinde P+'da yüksek voltaj oluyor (Isıtmak için kullanılan kaynak voltajı 9 ila 20V) D2 5V beslenen opampın inputunda voltajın sınırlanması için.

Opamp çıkışı yüksekken havyaya güç verilmiş oluyor ve diyota düşen voltajı yükseltiyor opamp. Havyanın gücü kesildiğinde opamp inputuna sadece TC voltajı geliyor ve bu durumda opamp çıkışında anlamlı, yani yükseltilmiş TC voltajı görülüyor.
 
Bu projede havya ısıtıcısı ve TC seri bağlı ve havya 2 kontaktan sürülüyor. TC okuyan devresi şu :
27181 eklentisine bak

Havyaya enerji verildiğinde P+'da yüksek voltaj oluyor (Isıtmak için kullanılan kaynak voltajı 9 ila 20V) D2 5V beslenen opampın inputunda voltajın sınırlanması için.

Opamp çıkışı yüksekken havyaya güç verilmiş oluyor ve diyota düşen voltajı yükseltiyor opamp. Havyanın gücü kesildiğinde opamp inputuna sadece TC voltajı geliyor ve bu durumda opamp çıkışında anlamlı, yani yükseltilmiş TC voltajı görülüyor.
Boşuna mı kafa yormuşsuz abi t12 kontrolcüsü oluyor mu yani ?
 
Boşuna mı kafa yormuşsuz abi t12 kontrolcüsü oluyor mu yani ?
Boşuna kafa yormuşuz demeyelim :) .T12 ucun sıcaklığını okumak biraz daha incelik istiyor, atla deve değil tabii ki. Sadece ısıtıcı ve TC seri olduğundan TC gerilimi ısıtma esnasında, kaynak gerilimi kadar oluyor. Bahsettiğim projede, bahsettiğim gibi diyotla sınırlamışlar opamp inputuna gelen voltajı. Ama bu da havya kapandığında filtre kondansatörünün 0,6V civarından mV seviyelerine düşmesi için zaman kaybetmek anlamına geliyor. Skop görüntüsündeki ekponansiyel düşüş de bundan olmalı. Kullanımda bir şey fark edeceği yok ama.
Toprak bağlantısına dikkat etmek lazım. Topraklamayı "+" dan yapmak lazım, çünkü JBC ucu T12 gibi sürünce havya ucunda 12V oluyor. şebekeden tamamen izole bir şeyi lehimlerken sıkıntı olmaz ama kartta topraklama kıskacı vb bir toprak bağlantısı olduğunda lehimlenen noktaya voltaj vermiş olunur.
 
Boşuna kafa yormuşuz demeyelim :) .T12 ucun sıcaklığını okumak biraz daha incelik istiyor, atla deve değil tabii ki. Sadece ısıtıcı ve TC seri olduğundan TC gerilimi ısıtma esnasında, kaynak gerilimi kadar oluyor. Bahsettiğim projede, bahsettiğim gibi diyotla sınırlamışlar opamp inputuna gelen voltajı. Ama bu da havya kapandığında filtre kondansatörünün 0,6V civarından mV seviyelerine düşmesi için zaman kaybetmek anlamına geliyor. Skop görüntüsündeki ekponansiyel düşüş de bundan olmalı. Kullanımda bir şey fark edeceği yok ama.
Toprak bağlantısına dikkat etmek lazım. Topraklamayı "+" dan yapmak lazım, çünkü JBC ucu T12 gibi sürünce havya ucunda 12V oluyor. şebekeden tamamen izole bir şeyi lehimlerken sıkıntı olmaz ama kartta topraklama kıskacı vb bir toprak bağlantısı olduğunda lehimlenen noktaya voltaj vermiş olunur.
İzole bir trafo veya izole bir smps ile çözülür mü bu sorun zaten devre de voltaj varken lehimleme yapmak da doğru bir durum değil gerçi
 
27194 eklentisine bak
TC nin tek ucu dış kasa aslında voltaj olmaması gerekmez mi ?
C245 için, T12 gibi sürerken maviyi "-"ye bağlayaıp kırmızıya "+" voltaj veriyorsun. TC'yi de şemadaki gibi okumuyorsun. Bu durumda c245 için dış kılıfla "+" voltaj arasında sadece TC direnci oluyor, bu da dış kılıf "+" voltaja kısa devre demek oluyor. Fotoğraftaki gibi toprağı dışa bağlamak için "+" toprak olmalı.
 
Ucun dış kasası toprağa verilmesi lazım, ancak bu konuda sanıyorum ki bazı ikilikler var benim aklımda kalan buranın büyük bir direnç üstünden topraklanmasının mantıklı olmasıydı, ama sanırım 1-2ohm gibi dirençlerle bağlanan durumlarda varmış.
 
Esd den ya da stray voltage dan bir hasar oluşmasın diye, tabiki burada bir varsayım var lehim yaptığınız yer de toprak potansiyelinde olacak ki normalde esd ekipmanlar kullanılınca olur. Kısacası ucun üstündeki voltajı kontrol altına almalısınız, e kaç volt olsa kesinlikle zarar vermez 0. Ancak neden düşük direnç derseniz bende aşırı emin değilim ondan, sanırım bir şekilde canlı bir yere dokunursanız gfi tetiklensin diye, ki zaten bazı havyalarda bu ucun groundlanması kaldırılabiliyor ya da başka potansiyele verilebiliyor olması lazım.
 

Çevrimiçi üyeler

Forum istatistikleri

Konular
8,443
Mesajlar
138,501
Üyeler
3,343
Son üye
Yigitaatalay

Son kaynaklar

Son profil mesajları

mechanic ayhanarican mechanic wrote on ayhanarican's profile.
https://www.allmystery.de almanca biliyorsan burada araştır. Yapay zekada çeviriyor gerçi.
Almanların matematik bilgisi daha iyi oluyor.
“Kendi yolunu çizen kişi, kimsenin izinden gitmez.” – Nietzsche
Kim İslâm’da güzel bir çığır açarsa (güzel bir alışkanlık başlatırsa), onun sevabı ve kendisinden sonra ona uyanların sevapları, onların sevaplarından hiçbir şey eksilmeksizin ona da yazılır.
erdemtr55 taydin erdemtr55 wrote on taydin's profile.
Merhaba Taydin bey,
Gruba spms serisi yapıcak mısınız?
ben 3 sargılı toroid ile 2 adet flyback sürücek bir devre yapmayı düşünüyorum.size soracak sorularım vardı?
Mutluluğun resmi illa güzel çizilmiş tablo olmak zorunda değil.Bazen basit bir çizgi,doğru bir renk,yada küçük bir detay
Back
Top