Jk flip flop

Bos degilmissin.

Proteusda secilen JK FF'un CLK girisi dusen kenarda tetikleniyor.
Ilk semada yukselen kenarda tetiklenen JK FF'a gore cizmistik.

Kitaba bakmadan asagidaki soruyu da cevaplayabiliyor olman gerekir.

JK FF da asagidaki tabloya gore J ve K girisleri deger almis olsun. Ardindan Clk verdigimizde Q cikisi hangi degeri alir?

JKQ
00?
01?
10?
11?
 
Son düzenleme:
00-> aynısı q q!
01 -> 0 1 reset
10-> 1 0 set yani çalışıyor
11-> q! q tersi yani 1 ise bir önceki durum 0 oluyor
 
Evet, J ve K girislerinin her ikisi de 0 ise Q ve Q! konum degistirmiyor.

J=1 K=0 ise Q cikisi 1 olmaya zorlaniyor. Haliyle Q! 0 oluyor.
J=0 K=1 ise Q cikisi 0 olmaya zorlaniyor. Haliyle Q! 1 oluyor.

J=1 K=1 ise bu kez Q mevcut durumunun invertine donusuyor.
Haliyle Q! de.

Son iki soru daha.

Hoca 6,7,8,9,6,7,8,9... seklinde sayan degil de 5,6,7,8,9 seklinde sayan tasarim isteseydi en az kac tane JK FF kullanmak gerekecekti?

Hocanin sordugu soruyu 4 tane JK FF ile tasarlayabilirmisin? (Ben tasarlayabilecegine eminim)

Aslinda hocanin 2 FF ile tasarlamana ses edecegini sanmiyorum. Biz uc kagit yapip isin kolayina kactik.

Asil kafa karisikligi 4 FF ile tasarlanirken olacak. Cunku isin icinde 9 dan sonra 6'ya atlatma isi var. Muhtemelen de hocaniz bu problemi cozmenizi istedi.

Buda KIL bir hocanin soracagi bir baska soru.

JK FF'u kim icat etti? (TI'dan Jack Kilby)
 
Son düzenleme:
Temel mantıkta abi sinyallere göre bcd şekilde numpad sinyalleri değiştirmemiz lazım son devreye gore 4 ff uyarlamaya çalışıyorum ama yok olmuyor abi
 
Tasarlayacagin sistem 0,1,2,3,4,5,6,7,8,9,6,7,8,9.. seklinde sayacak.

9'a gelip te 10'a daha dogrusu 1010 gecisi yaptiginda cikis veren bir decoder tasarlayacaksin.

1010 bitlerin numarasi 4321 olarak gittigini varsayarsak;

Bu 1010 da 1 ureten cikis sinyali 4 tane FF dan 3'uncu ve 2'inciyi set ederken, 1'inci ve 4'uncuyu resetleyecek yani 0110 (6 degeri) yukleyecek.

Tabi bir de butonla 8 yukleme isi var. Onda da butona basildiginda 4 nolu FF set edilirken digerleri resetlenecek.

Sonucta kombinasyonel lojik tasarimi da yapilacak.

Diger soru icin konusursak;

56789 56789 seklinde sayan devrede toplam 5 durum var.

Eger uc kagitla kisa yoldan cozecek olsaydik ln(5)/ln(2) =2.3 yani 3 tane FF kullanacaktik.

Yok tahminen hocanin istedigi bir tarz cozum olsaydi o zaman gene 4 FF ile cozmemiz gerekecekti. (FF cikislari dogrudan ikili sayim degerleri olacak)

Sen sifirdan onbese kadar sayan devreyi tasarla yarin gerekli eklentileri yapariz.
 
Son düzenleme:
Abi peki ff oranını durum / giriş yani 2 yapicagizda buna goremi yapacaktik abi yani en temelde yani
 
Daha once dedigim gibi sorunun pek cok cevabi var.

Soruda en buyuk sayi kac? 9
En kucuk sayi kac? 6

O zaman 9-6+1=4 durum var. Gercekten de 6,7,8,9 sayimi sozkonusu o zaman

ln(4)/ln2 = 2 tane FF yeter. Bu en minimal tasarim.

Bir baska tasarim seklinde 9 ikili olarak 1001 seklinde kodlanir. Bu da 4 bit gerektirir diyip 4FF ile cozerdik.

Bir baska tasarim seklinde ise gene 4 FF ile cozerdik.

FFlar su sekilde sayardi.

0001
0010
0100
1000
sonrasinda
0001 e gecerdi.

Yani shift register yapisi kurardik. Daha sonra

0001 = 0110
0010 = 0111
0100 = 1000
1000 = 1001

donusumunu yapacak bir lojik tasarlardik.

Yada FFlari su sekilde saydirtabilirdik.

0001 = 0110
0011 = 0111
0111 = 1000
1111 = 1001

Daha dusunursen alternatif cozumler de bulabilirsin.

En kafa karisitirici olan

4 FF ile dogrudan 2'li cikis verecek tasarim olacaktir. Cunku 9 dan sonra 6'ya atlatan devre de tasarlaman gerekiyor.

Eger soru 50 den 1000'e kadar sayan tasarim sorusu olsaydi o zaman

1000 sayisi ln(1000) ln 2 den 10 tane FF ile cozulurdu. Cunku diger cozumler ekonomik olmazdi.
 
Son düzenleme:
Ben de elektronik biliyorum sanıyorum. Kendimi pointer görmüş phytoncu gibi hissettim.
 
Daha once dedigim gibi sorunun pek cok cevabi var.

Soruda en buyuk sayi kac? 9
En kucuk sayi kac? 6

O zaman 9-6+1=4 durum var. Gercekten de 6,7,8,9 sayimi sozkonusu o zaman

ln(4)/ln2 = 2 tane FF yeter. Bu en minimal tasarim.

Bir baska tasarim seklinde 9 ikili olarak 1001 seklinde kodlanir. Bu da 4 bit gerektirir diyip 4FF ile cozerdik.

Bir baska tasarim seklinde ise gene 4 FF ile cozerdik.

FFlar su sekilde sayardi.

0001
0010
0100
1000
sonrasinda
0001 e gecerdi.

Yani shift register yapisi kurardik. Daha sonra

0001 = 0110
0010 = 0111
0100 = 1000
1000 = 1001

donusumunu yapacak bir lojik tasarlardik.

Yada FFlari su sekilde saydirtabilirdik.

0001 = 0110
0011 = 0111
0111 = 1000
1111 = 1001

Daha dusunursen alternatif cozumler de bulabilirsin.

En kafa karisitirici olan

4 FF ile dogrudan 2'li cikis verecek tasarim olacaktir. Cunku 9 dan sonra 6'ya atlatan devre de tasarlaman gerekiyor.

Eger soru 50 den 1000'e kadar sayan tasarim sorusu olsaydi o zaman

1000 sayisi ln(1000) ln 2 den 10 tane FF ile cozulurdu. Cunku diger cozumler ekonomik olmazdi.
Abi 4 ff ile bu kadarını cozebildim 2-3 baktım 6 dan saymayi başlatmayı ama 9 kadar saymayı ve 8 kurmayı anlamadım 8 kurmanın az buçuk mantığını anladım hoca anlattı ama 9 kadar saymayı yapamadım yardımcı olabilme şansın varmi ?
 

Ekler

  • IMG-20240318-WA0000.jpg
    IMG-20240318-WA0000.jpg
    134.7 KB · Görüntüleme: 121
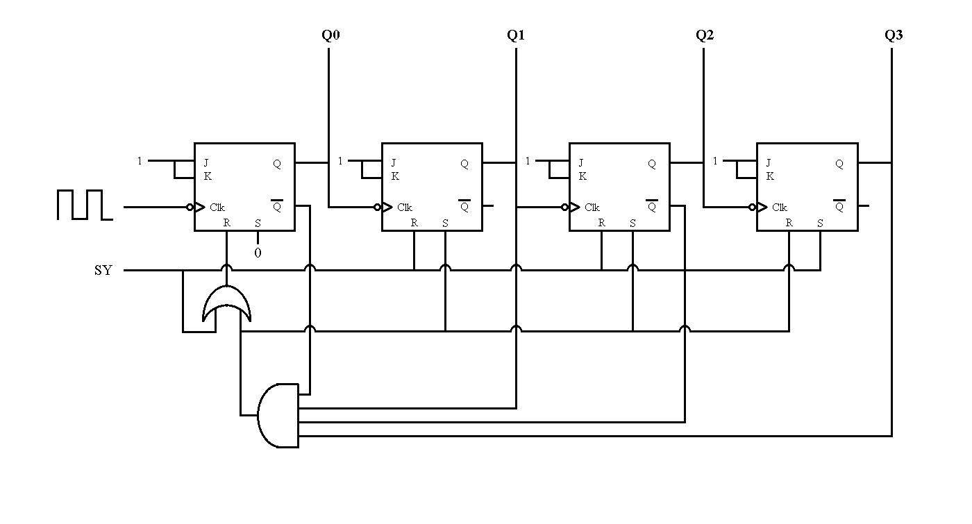
4 lu sayaci zaten daha once yapmistik. 0 dan 15'e kadar sayiyordu.

Sayaclarin cikisina asagidaki devreyi ekledigimizde sayici 9 dan sonra 10'a gecince asagidaki lojik 1 sinyali uretecek.

1710759604686.png

Bu sinyalle FF lara

FF3=0
FF2=1
FF1=1
FF0=0

yuklemesi yapacagiz. Yani 10' degerine ulasan sayiciya 6 yukletecegiz.

Bunun icin

R3=1, S2=1, S1=1, R0=1 yaptiracagiz. (*)

Ote yandan 8 yukle girisi 1 olunca da

S3=1, R2=1, R1=1, R0=1 yuklemesi yapacagiz. (**)

(*) ve (**) icin kombinasyonel lojik tasarlayacak olursak

SY, Sekiz yukle girisi anlaminda;

SY=0 ise (*) degerlerini
SY=1 ise (**) degerlerini yukletelim.

O zaman

S3=SY
R2=SY
R1=SY
R0=SY + SDO

R3=SDO
S2=SDO
S1=SDO
S0=0

Yapacagiz.

Hata yaptiysak simulasyon asamasinda zaten farkedilecektir.

Ayni anda hem Sekiz yukle hem de SDO aktif olursa ve sistem sapitirsa ona da sen cozum uretirsin.
 
4 lu sayaci zaten daha once yapmistik. 0 dan 15'e kadar sayiyordu.

Sayaclarin cikisina asagidaki devreyi ekledigimizde sayici 9 dan sonra 10'a gecince asagidaki lojik 1 sinyali uretecek.

32061 eklentisine bak
Bu sinyalle FF lara

FF3=0
FF2=1
FF1=1
FF0=0

yuklemesi yapacagiz. Yani 10' degerine ulasan sayiciya 6 yukletecegiz.

Bunun icin

R3=1, S2=1, S1=1, R0=1 yaptiracagiz. (*)

Ote yandan 8 yukle girisi 1 olunca da

S3=1, R2=1, R1=1, R0=1 yuklemesi yapacagiz. (**)

(*) ve (**) icin kombinasyonel lojik tasarlayacak olursak

SY, Sekiz yukle girisi anlaminda;

SY=0 ise (*) degerlerini
SY=1 ise (**) degerlerini yukletelim.

O zaman

S3=SY
R2=SY
R1=SY
R0=SY + SDO

R3=SDO
S2=SDO
S1=SDO
S0=0

Yapacagiz.

Hata yaptiysak simulasyon asamasinda zaten farkedilecektir.

Ayni anda hem Sekiz yukle hem de SDO aktif olursa ve sistem sapitirsa ona da sen cozum uretirsin.
Yok abi e (14) f (15 arasında takılıp duruyor
 
Sen yaptigin baglantinin ekran goruntusunu yayinla.

O sitede Set Reset pinleri olan JK FF yoktu.

Tamam iste sorunun ustune git. Debug yap.

4 girisli AND kapisinin cikisinin FFlarla olan baglantisini kes.

SY girisini de 0 yap.

Sayicilar 0..15 arasinda saysin.

Bu esnada AND kapisi ne zaman 1 oluyor onu gozlemle.
 
Sen yaptigin baglantinin ekran goruntusunu yayinla.

O sitede Set Reset pinleri olan JK FF yoktu.

Tamam iste sorunun ustune git. Debug yap.

4 girisli AND kapisinin cikisinin FFlarla olan baglantisini kes.

SY girisini de 0 yap.

Sayicilar 0..15 arasinda saysin.

Bu esnada AND kapisi ne zaman 1 oluyor onu gozlemle.
Abi şuan çalışıyorum aileme yük olmamak için o anda şansa bilgisayarin başına gecebildim en kısa sürede deniyecegim
 

Çevrimiçi personel

Forum istatistikleri

Konular
8,447
Mesajlar
138,550
Üyeler
3,343
Son üye
Yigitaatalay

Son kaynaklar

Son profil mesajları

mechanic ayhanarican mechanic wrote on ayhanarican's profile.
https://www.allmystery.de almanca biliyorsan burada araştır. Yapay zekada çeviriyor gerçi.
Almanların matematik bilgisi daha iyi oluyor.
“Kendi yolunu çizen kişi, kimsenin izinden gitmez.” – Nietzsche
Kim İslâm’da güzel bir çığır açarsa (güzel bir alışkanlık başlatırsa), onun sevabı ve kendisinden sonra ona uyanların sevapları, onların sevaplarından hiçbir şey eksilmeksizin ona da yazılır.
erdemtr55 taydin erdemtr55 wrote on taydin's profile.
Merhaba Taydin bey,
Gruba spms serisi yapıcak mısınız?
ben 3 sargılı toroid ile 2 adet flyback sürücek bir devre yapmayı düşünüyorum.size soracak sorularım vardı?
Mutluluğun resmi illa güzel çizilmiş tablo olmak zorunda değil.Bazen basit bir çizgi,doğru bir renk,yada küçük bir detay
Back
Top